RT174ZCV1 03 – CABINET PARTSadmin2025-04-26T10:26:22+00:00RT174ZCV1 03 – CABINET PARTS
Products
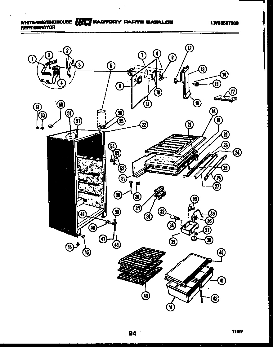
| Position | Product |
|---|
| *38164 | HARNESS, WIRING |
| 1 | WCI G185303 |
| 2 | G187559 Frigidaire Refrigerator Bushing |
| 3 | WCI G185302 |
| 4 | 5300158289 Frigidaire Evaporator Fan Motor |
| 5 | COVER, TOP HINGE, AVOCADO |
| 6 | PLUG-BUTTON DECOR |
| 7 | COVER-COIL |
| 8 | 5304455650 Frigidaire Refrigerator Screw |
| 9 | 5308000010 Frigidaire Refrigerator Evaporator Fan Blade |
| 10 | RING, FAN ORIFICE |
| 11 | NUT, ORIFICE (2) |
| 12 | DAMPER FAN COVER |
| 13 | LABEL-FAN COVER |
| 14 | NUT, DAMPER MOUNTING |
| 15 | WCI G162663-15 |
| 16 | WCI G490076-01 |
| 17 | 215667501 Frigidaire Refrigerator Ice Tray Primary |
| 18 | BOTTOM, FC |
| 19 | DIVIDER, CENTER |
| 20 | TOP PC |
| 21 | SCREW (5) |
| 22 | TRIM CORNER (4), AVOCADO |
| 23 | HTR, CENTER RAIL |
| 24 | SPACER, MULLION (2) |
| 25 | 5309918806 Frigidaire Refrigerator Light Switch Door |
| 26 | CLAMP, MULLION MOUNTING |
| 27 | MULLION, AVOCADO |
| 28 | TUBE, DRAIN |
| 29 | SPOUT DRAIN TUBE |
| 30 | DEFLECTOR AIR |
| 31 | WCI G162178 |
| 32 | 316538904 Frigidaire Oven Lamp Light |
| 33 | 215846602 Frigidaire Refrigerator 8-Hour Defrost Timer |
| 34 | SOCKET LIGHT |
| 35 | TUBE |
| 36 | COLD CONTROL |
| 37 | SWITCH SLIDE |
| 38 | KNOB |
| 39 | WCI G176722-01 |
| 39A | LABEL-BOX |
| 40 | WCI G490016-03 |
| 41 | WCI G490015-01 |
| 42 | WCI G166310-04 |
| 43 | SHELF-SLIDING (3) |
| 44 | LEG-LEVELING (2) |
| 44A | NUT, ANCHOR (2) |
| 45 | WCI G166912 |
| 46 | BRACKET-HINGE |
| 47 | 5303001321 Frigidaire Refrigerator Lower Hinge Pin |
| 48 | SHIM, HINGE |
| 49 | TAPPING PLATE (2) |
| 50 | WCI G103903 |
| 51 | TROUGH-DRAIN |
| 52 | WASHER, NYLON 5/16 X 5/8 (CTR & LOWER HINGE BRACKET) |
| 53 | WCI G142220 |
| 54 | BRACKET, HINGE CENTER |
| 55 | WCI G183861 |
| 56 | BRACKET, TOP HINGE |
| 57 | WCI G174747-08 |
| 58 | WCI G163669 |
| 59 | TUBE, INSULATION (2) |
| 60 | WCI G174733 |
| 61 | WCI G174734 |