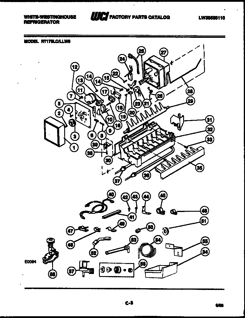
RT175LLH0 05 – ICE MAKER AND INSTALLATION PARTSadmin2025-04-26T10:27:02+00:00RT175LLH0 05 – ICE MAKER AND INSTALLATION PARTS ProductsPositionProduct1ADOOR CLOSER1WCI R2623012SCREW3WCI C4600574WCI M10900165WCI G1865726WCI G1599097WCI G1599059WCI 301858811MOTOR12WCI G15989813WCI C46005614SCREW 4-40 X 1 (2)15SHOULDER SCREW16SCREW 4-40 X 3/4 (2)17SPACER, HOLDING SWITCH18SWITCH-SPDT19SCREW 8, 32 X 120WCI C46004321WCI G15990722SCREW 4-24 X 3/423LEVER ARM24SWITCH-SPST25WIRE ASSEMBLY26WCI C46004627SUPPORT-HOUSING28SHUT-OFF ARM29WCI C46072030SHIELD31WCI G13776032MOLD AND HEATER ASSEMBLY (INCLUDES ILLUSTRATION 29)33SCREW 8-16 X 3/8345303212918 Frigidaire Refrigerator Cont35ICE STRIPPER36WCI G16476637WCI G13775638WCI R90036339WCI G15990640WCI G185266415305877995 Frigidaire Refrigerator P-1 Sealing Strip425308000039 Frigidaire Refrigerator Screw435304455852 Frigidaire Refrigerator Screw445303001199 Frigidaire Refrigerator Wiring Harness Clamp45240396801 Frigidaire Refrigerator Tube Clamp46CLAMP-TUBE (NON-ILLUSTRATED)475304455846 Frigidaire Refrigerator Clamp485303001193 Frigidaire Refrigerator Clamp49CLIP, HARNESS LOCATION50NUT, INLET TO SOLENOID VALVE515303001147 Frigidaire Refrigerator Plug-Harness Hole52WCI G15415653215456100 Frigidaire Refrigerator Water Inlet Tube545308010366 Frigidaire Refrigerator P1-Water Inlet Tube55BRACKET, VALVE TO REAR PANEL56WCI G9942857WCI G15991458WCI G159415