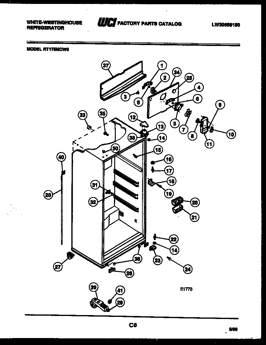
RT175MCD0 03 – CABINET PARTSadmin2025-04-26T10:26:42+00:00RT175MCD0 03 – CABINET PARTS ProductsPositionProduct1WCI G18530325300158289 Frigidaire Evaporator Fan Motor3WCI G1645714WCI G1853025A218843801 Frigidaire Refrigerator Screw5RING, FAN ORIFICE6G187559 Frigidaire Refrigerator Bushing75308000010 Frigidaire Refrigerator Evaporator Fan Blade8WCI 32061109NUT, DAMPER MOUNTING10WCI 320610911FAN COVER11A5304455650 Frigidaire Refrigerator Screw12WCI 320610513WCI 320610013A241710601 Frigidaire Refrigerator Screw14WCI G10390315WCI 320234016WASHER-CNTR HNGE17WCI G14222018BRACKET, HINGE CENTER19SCREW - MULLION (2)20WCI 320420621WCI G162178225303001321 Frigidaire Refrigerator Lower Hinge Pin23WCI 320613625PLUG-SHORT TEST HOLE (NON-ILLUSTRATED)26WCI 320613527WCI 320623728TUBE-DEFROST DRAIN28A5304455651 Frigidaire Refrigerator Screw29BOLT-ROLLER (2)30WCI G174747-1131WCI 0800005632PIN-PUSH33TUBE, INSULATION (2)34ANUT, ORIFICE (2)34WCI 320611935WCI G16366936PLUG-BUTTON37WCI 320614638WCI G18386139C5304500008 Frigidaire Oven Screw39AROLLER FRONT, ADJUSTABLE (2)39BSPRING-ROLLER (2)39ROLLER-FRONT (2)40RING, SEAL (NON-ILLUSTRATED)41WASHER