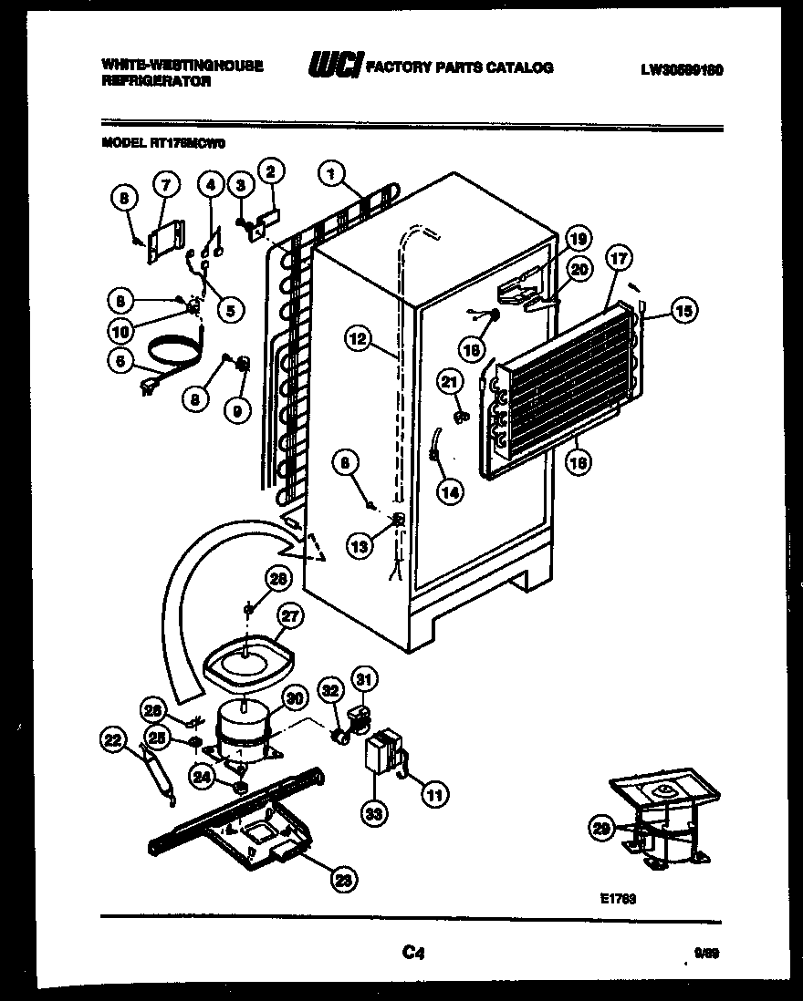
RT176MCH0 05 – SYSTEM AND AUTOMATIC DEFROST PARTSadmin2025-04-26T10:25:57+00:00RT176MCH0 05 – SYSTEM AND AUTOMATIC DEFROST PARTS ProductsPositionProduct*22277WCI 3916557*222773205266 Frigidaire Refrigerator Edge Protector1WCI G1782252BRACKET-CONDENSER MOUNTING (4)3AWASHER35308000039 Frigidaire Refrigerator Screw4WCI 30189005WIRING HARNESS-COMPRESSOR6CORD, SERVICE7WCI G18358485304455651 Frigidaire Refrigerator Screw105303001199 Frigidaire Refrigerator Wiring Harness Clamp115303006412 Frigidaire Refrigerator Cover Mounting Strap12HEAT-EXCH13240396801 Frigidaire Refrigerator Tube Clamp145308000110 Frigidaire Refrigerator Evaporator/Heater Primary Strap15WCI 0800975416INSULATOR17EVAPORATOR185303917954 Frigidaire Refrigerator Defrost Limit Thermostat Kit19BLOCK, EVAPORATOR, RH20PLUG, EVAPORATOR INSULATION BLOCK, R H21BLOCK, LEFT SIDE225303305677 Frigidaire Replacement Filter Dryer Filters23A5304500008 Frigidaire Oven Screw23WCI 320612624218513300 Frigidaire Refrigerator Compressor Mount Grommet25WASHER, COMPRESSOR MOUNTING (4)26CLIP, COMPRESSOR MOUNTING (4)27A5303307583 Frigidaire Refrigerator P1 Pad Noise Reduction27DEFROST PAN & NUT28NUT, LOCK29PAN RETAINER KIT-SERVICE30COMPRESSOR-SERVICE31216594300 Frigidaire Refrigerator Starter