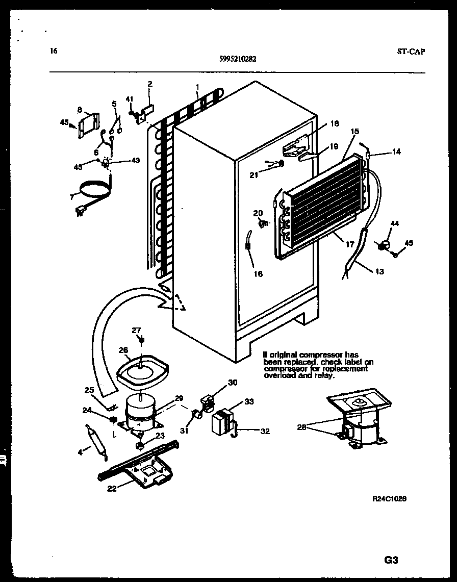
RT176NCH0 09 – SYSTEM AND AUTOMATIC DEFROST PARTSadmin2025-04-26T10:28:08+00:00RT176NCH0 09 – SYSTEM AND AUTOMATIC DEFROST PARTS ProductsPositionProduct*50568WCI 3916557325303006412 Frigidaire Refrigerator Cover Mounting Strap415308000039 Frigidaire Refrigerator Screw435303001199 Frigidaire Refrigerator Wiring Harness Clamp445308000133 Frigidaire Refrigerator Clamp455304455651 Frigidaire Refrigerator Screw