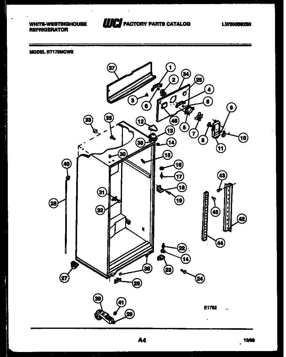
RT179MCD0 03 – CABINET PARTSadmin2025-04-26T10:31:43+00:00RT179MCD0 03 – CABINET PARTS ProductsPositionProduct*23243BUTTON, LINER1WCI G18530325300158289 Frigidaire Evaporator Fan Motor3WCI G1645714WCI G1853025A218843801 Frigidaire Refrigerator Screw5RING, FAN ORIFICE6G187559 Frigidaire Refrigerator Bushing75308000010 Frigidaire Refrigerator Evaporator Fan Blade8WCI 32061109NUT, DAMPER MOUNTING10WCI 320638111BWCI 320620811WCI 320620712WCI 320610513A241710601 Frigidaire Refrigerator Screw13WCI 320610014WCI G10390315WCI 320234016WASHER-CNTR HNGE17WCI G14222018BRACKET, HINGE CENTER19SCREW - MULLION (2)225303001321 Frigidaire Refrigerator Lower Hinge Pin23WCI 320613625PLUG-SHORT TEST HOLE (NON-ILLUSTRATED)26WCI 320613527WCI 320623728A5304455651 Frigidaire Refrigerator Screw28TUBE-DEFROST DRAIN29BOLT-ROLLER (2)30WCI G174747-1131WCI 0800005632PIN-PUSH33TUBE, INSULATION (2)34WCI 320611934A5304455650 Frigidaire Refrigerator Screw34BNUT, ORIFICE (2)35WCI G16366936PLUG-BUTTON37WCI 320614638WCI G18386139BSPRING-ROLLER (2)39AROLLER FRONT, ADJUSTABLE (2)39ROLLER-FRONT (2)39C5304500008 Frigidaire Oven Screw40RING, SEAL (NON-ILLUSTRATED)41WASHER42WCI 3206202435304455852 Frigidaire Refrigerator Screw44CHANNEL-CENTER (NON-ILLUSTRATED)45WCI 0801656846WCI 3018193