RT17F9WU3A 03 – CABINET PARTSadmin2025-04-26T10:16:46+00:00RT17F9WU3A 03 – CABINET PARTS
Products
| Position | Product |
|---|
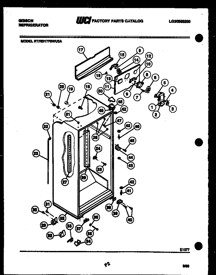
| *81897 | BUTTON, LINER |
| 1A | 5304455650 Frigidaire Refrigerator Screw |
| 1 | WCI G163061-76 |
| 2 | LABEL, COVER |
| 3 | KNOB |
| 4 | NUT, DAMPER MOUNTING |
| 5 | DAMPER FAN COVER |
| 6 | 5308000010 Frigidaire Refrigerator Evaporator Fan Blade |
| 8 | RING, FAN ORIFICE |
| 9 | G187559 Frigidaire Refrigerator Bushing |
| 10 | WCI G185302 |
| 11 | COVER-COIL |
| 11A | NUT, ORIFICE (2) |
| 12 | PLUG-SHORT TEST HOLE (NON-ILLUSTRATED) |
| 13 | BUTTON-DECORATIVE |
| 14 | 5300158289 Frigidaire Evaporator Fan Motor |
| 15 | WCI G185303 |
| 16 | WCI G164571 |
| 16A | 5304455651 Frigidaire Refrigerator Screw |
| 17 | TROUGH-DRAIN |
| 18 | WCI G163669 |
| 19 | TUBE, INSULATION (2) |
| 20 | WCI G174733 |
| 21 | WCI G174734 |
| 22 | RING, SEAL (NON-ILLUSTRATED) |
| 23 | TUBE, DRAIN |
| 24 | SPOUT DRAIN TUBE |
| 25 | PIN PUSH SPOUT (2) |
| 26A | 5304455852 Frigidaire Refrigerator Screw |
| 26 | CHANNEL, SHELF (2) |
| 27A | SCREW (3) (NON-ILLUSTRATED) |
| 27 | WCI G189341 |
| 28A | 5304500407 Frigidaire Refrigerator Shelf Mounting Grommet |
| 28 | 5304509705 Frigidaire Refrigerator Grommet |
| 29 | ROLLER, REAR (2) |
| 30 | BOLT ROLLER (2) |
| 32 | ROLLER FRONT, ADJUSTABLE (2) |
| 33 | SPRING-ROLLER (2) |
| 34 | SUPPORT, ROLLER (2) |
| 35 | BOLT-ROLLER (2) |
| 36 | WASHER |
| 37 | WCI G166912 |
| 38 | SHIM, HINGE |
| 39 | BRACKET-HINGE |
| 40A | TAPPING, PLATE (2) |
| 41 | 5303001321 Frigidaire Refrigerator Lower Hinge Pin |
| 42 | WCI G103903 |
| 43 | WASHER, NYLON 5/16 X 5/8 (CTR & LOWER HINGE BRACKET) |
| 44 | BRACKET, HINGE CENTER |
| 45A | WASHER (2) |
| 45 | SCREW, BRACKET MOUNTING (4) |
| 46 | WCI G142220 |
| 47 | TRIM-CORNER, ALMOND (4) |
| 47 | WCI G179684-10 |
| 47 | WCI G179684-09 |
| 47 | TRIM CORNER (4), AVOCADO |
| 47 | WCI G179684-01 |
| 48 | BRACKET, TOP HINGE |
| 48A | 241710601 Frigidaire Refrigerator Screw |
| 49 | WCI G183861 |
| 50 | COVER, TOP HINGE, AVOCADO |
| 50 | COVER HINGE, COFFEE |
| 50 | COVER HINGE, WHITE |
| 50 | COVER HINGE, WHEAT |
| 50 | COVER, TOP HINGE, ALMOND |
| 51 | WCI G174747-08 |
| 51 | WCI G174747-10 |
| 51 | WCI G174747-09 |
| 51 | WCI G174747-11 |
| 51 | WCI G174747--01 |
| 52 | CABINET BASE |