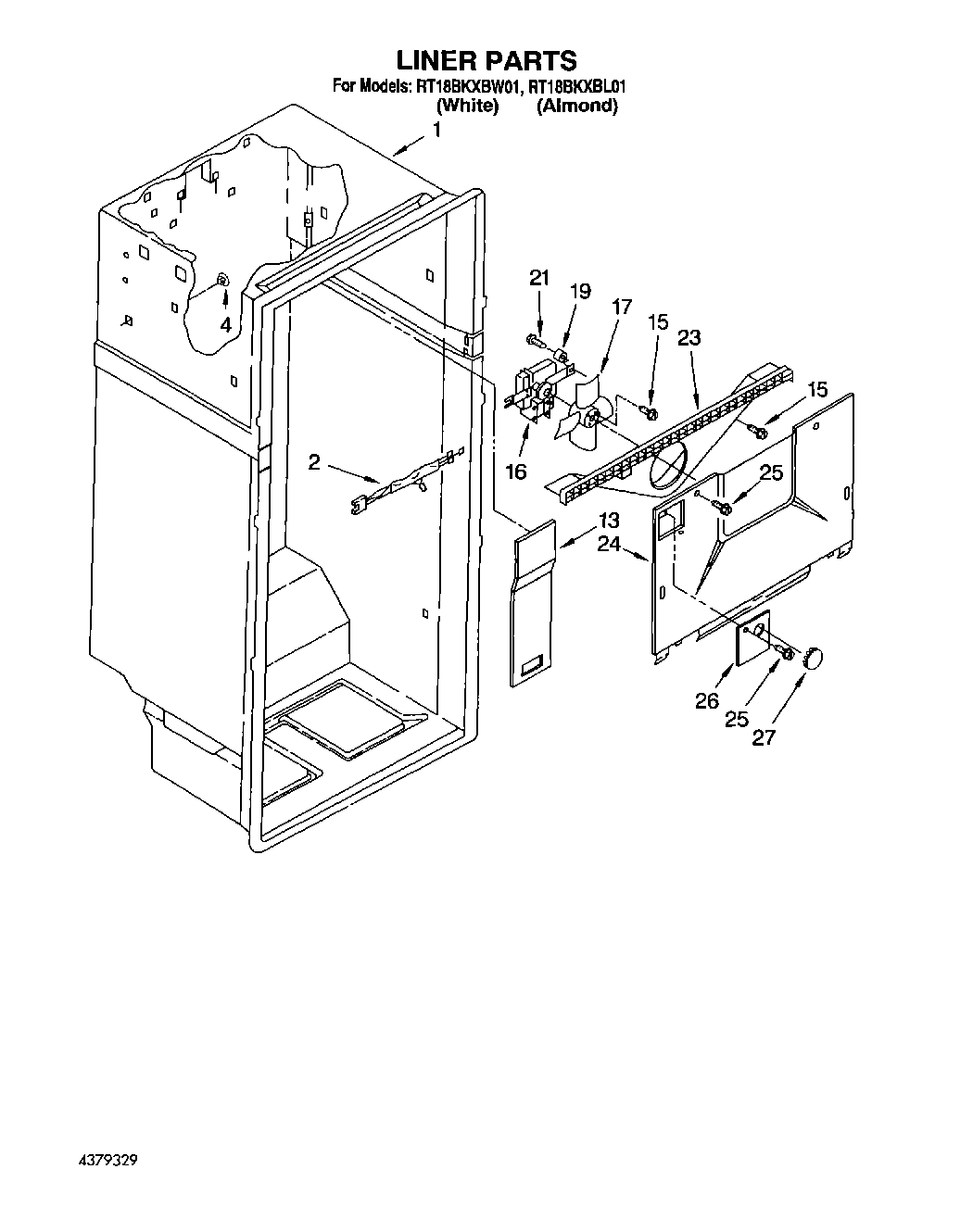
RT18BKXBL01 02 – LINER