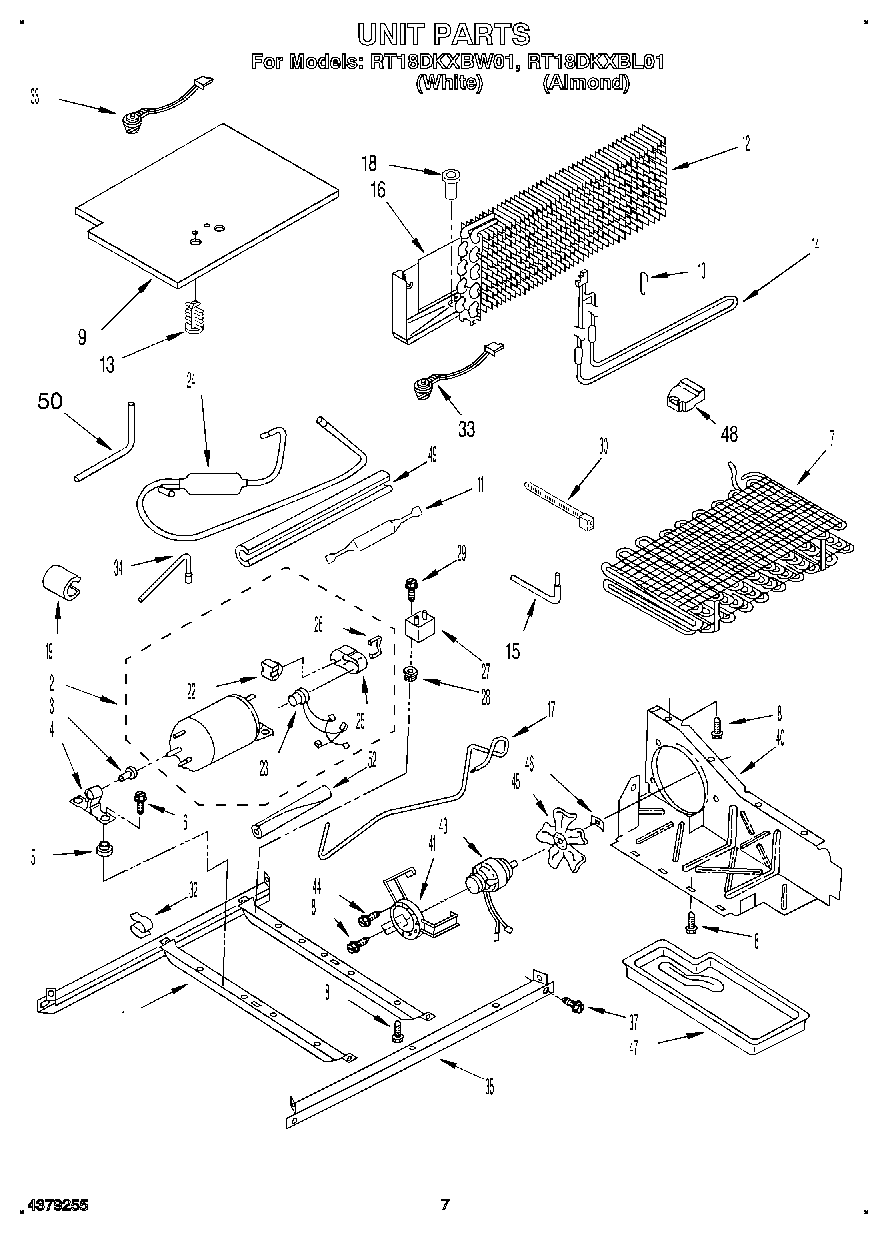
| 1 | Unit, Frame |
| 2 | Compressor KIt Includes Items 22 (23, 25, 26 & 27) |
| 3 | Grommet, Compressor Bracket |
| 4 | Bracket, Mounting |
| 5 | Grommet, Compressor (4) |
| 6 | Screw (4) |
| 7 | Condenser Assembly |
| 8 | WP489464 Whirlpool Refrigerator Screw |
| 9 | Cover, Unit Bottom |
| 10 | Support, Heater |
| 11 | W10843121 Whirlpool Refrigerator Tube |
| 12 | Evaporator |
| 13 | 489396 Whirlpool Refrigerator Clip |
| 14 | Heater, Defrost |
| 15 | Tube, Process |
| 16 | Drain Pan & Heat Shield |
| 17 | Tube, Discharge |
| 18 | Drain Fitting |
| 19 | WP2158826 Whirlpool Refrigerator Dampener |
| 22 | Relay (See Overload) |
| 23 | Overload (Production (Includes Relay)) |
| 23 | Overload (Service (Includes Relay)) |
| 24 | Muffler |
| 25 | Terminal Cover (Service) |
| 26 | Strap, Cover |
| 27 | WPW10662129 Whirlpool Refrigerator Run Capacitor |
| 28 | Screw Grommet |
| 29 | W11693756 Whirlpool Screw Assembly |
| 30 | WPW10339879 Whirlpool Wire Tie |
| 32 | Clip, Wire (2) |
| 33 | WP4387503 Whirlpool Refrigerator Bimetal Defrost Thermostat |
| 34 | Tube, Process |
| 35 | Unit, Rail |
| 37 | 489340 Whirlpool Refrigerator Screw |
| 40 | Air, Baffle |
| 41 | Fan, Mounting Bracket |
| 43 | 833697 Whirlpool Condenser Fan Motor |
| 44 | 681390 Whirlpool Refrigerator Screw |
| 45 | Fan Blade |
| 46 | WP486692 Whirlpool Refrigerator Nut |
| 47 | Tray, Evaporator |
| 48 | Support-Evaporator (L.S.) |
| 48 | Support (R.S.) |
| 49 | WP2002171 Whirlpool Refrigerator Sleeve |
| 50 | Tube, Condenser To Heat Loop |
| 52 | 876764 Whirlpool Refrigerator Primary Valve |
| 52 | Sleeve |
| 52 | 978026 Whirlpool Refrigerator Primary Valve |
| 52 | VALVE, ACCESS (5/8``) |
| 52 | WP978025 Whirlpool Refrigerator Valve |
| 52 | 978030 Whirlpool Refrigerator Valve |
| 52 | 978027 Whirlpool Refrigerator Primary Valve |
| 52 | VALVE, ACCESS (1/2``) |