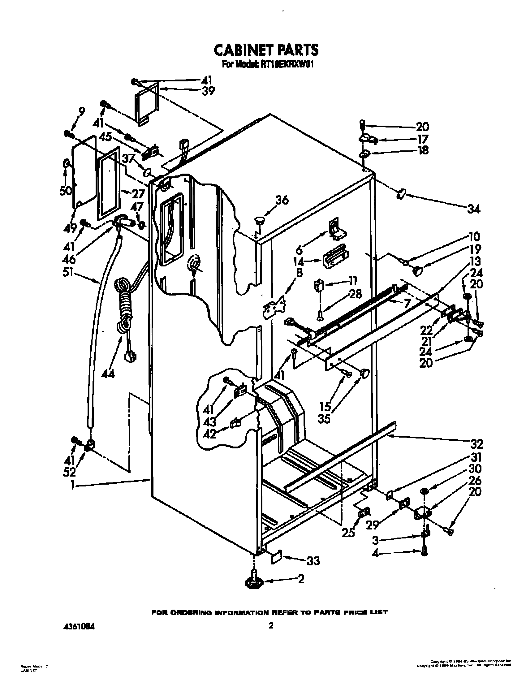
RT18EKRXW01 02 – CABINET