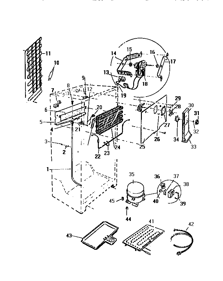
RT190GCF4 04 – COOLING SYSTEM