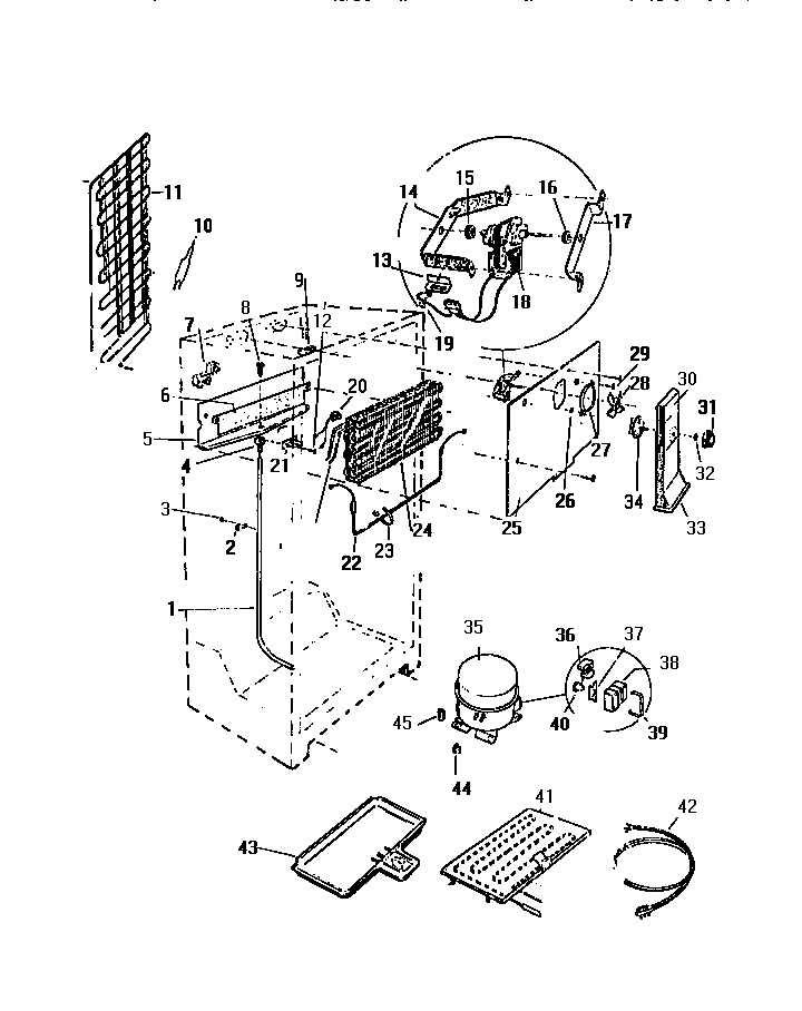
RT190GCH2 04 – COOLING SYSTEMadmin2025-04-26T10:17:26+00:00RT190GCH2 04 – COOLING SYSTEM ProductsPositionProduct*02296HEAT EXCHANGER REPAIR KIT*02295WCI G1660011WCI G155529-042WCI G1017474ELBOW, DRAIN5WCI G1700716INSULATOR7TROUGH8WCI G1016209WCI G16309910DRIER-REGULAR10AWCI R90012511WCI G16313313WCI G16457114BRACKET, REAR MOTOR MOUNTING16G187559 Frigidaire Refrigerator Bushing17BRACKET, FRONT MOTOR MOUNTING185300158289 Frigidaire Evaporator Fan Motor205303917954 Frigidaire Refrigerator Defrost Limit Thermostat Kit21SPOUT DRAIN TUBE225317842502 Frigidaire Defrost Heater235308000110 Frigidaire Refrigerator Evaporator/Heater Primary Strap24EVAPORATOR25WCI G162050-0226WCI G16270127RING, FAN ORIFICE285308000010 Frigidaire Refrigerator Evaporator Fan Blade29WCI Q40160130WCI G18029631WCI G162663-1332NUT, DAMPER MOUNTING33WCI G179793-0234DAMPER FAN COVER35COMPRESSOR W/ELECT.36WCI G150618-3237CLIP, OVERLOAD395303006412 Frigidaire Refrigerator Cover Mounting Strap40OVERLOAD41DEFROST PLATE42CORD, SERVICE43PAN, DEFROST44218513300 Frigidaire Refrigerator Compressor Mount Grommet45SLEEVE COMP MTG (3)46EXCHANGER-HEAT