RT192GCHB 04 – SYSTEM AND AUTOMATIC DEFROST PARTSadmin2025-04-26T10:18:29+00:00RT192GCHB 04 – SYSTEM AND AUTOMATIC DEFROST PARTS
Products
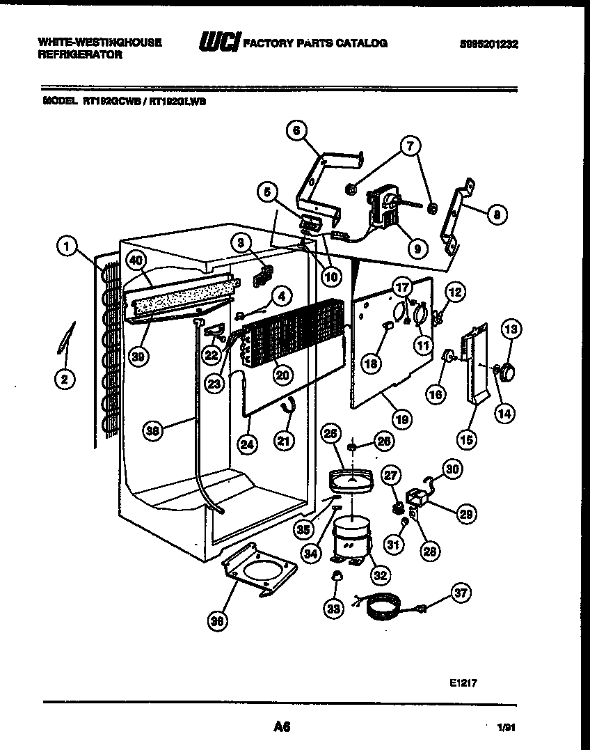
| Position | Product |
|---|
| *34241 | HARNESS-WIRING, CONTROL/DIVIDER,(NON-ILLUSTRATED) |
| *34241 | 5303307583 Frigidaire Refrigerator P1 Pad Noise Reduction |
| 1 | WCI 5300163133 |
| 1 | BRACKET-CONDENSER MOUNTING (4) |
| 2 | 5303305677 Frigidaire Replacement Filter Dryer Filters |
| 3 | BLOCK, EVAPORATOR, RH |
| 3A | BLOCK, LEFT SIDE |
| 4 | 5303917954 Frigidaire Refrigerator Defrost Limit Thermostat Kit |
| 5 | WCI G164571 |
| 6 | BRACKET-MOTOR MTG, REAR |
| 7 | G187559 Frigidaire Refrigerator Bushing |
| 8 | WCI G185302 |
| 9 | 5300158289 Frigidaire Evaporator Fan Motor |
| 10 | 5304455651 Frigidaire Refrigerator Screw |
| 11 | RING-FAN ORIFICE |
| 12 | 5308000010 Frigidaire Refrigerator Evaporator Fan Blade |
| 13 | LABEL-FAN COVER |
| 13 | WCI 5316266315 |
| 14 | NUT, DAMPER MOUNTING |
| 15 | WCI G490076-01 |
| 16 | DAMPER-FAN COVER |
| 17 | NUT, ORIFICE (2) |
| 18 | PLUG-BUTTON DECOR |
| 19 | WCI 5308009771 |
| 20 | WCI 5300162506 |
| 21 | 5308000110 Frigidaire Refrigerator Evaporator/Heater Primary Strap |
| 22 | WCI 5308000056 |
| 23 | WCI 5308000728 |
| 24 | 5317842502 Frigidaire Defrost Heater |
| 25 | DEFROST PAN & NUT |
| 26 | Nut,lock `1/4-20 ,drain pan mtg |
| 27 | 216594300 Frigidaire Refrigerator Starter |
| 28 | RETAINER, OVERLOAD |
| 30 | 5303006412 Frigidaire Refrigerator Cover Mounting Strap |
| 32 | COMPRESSOR W/ ELECTRICALS-SERVICE |
| 33 | 218513300 Frigidaire Refrigerator Compressor Mount Grommet |
| 34 | WASHER-COMPR MTG |
| 35 | CLIP - COMPRESSOR MTG |
| 36 | PLATE |
| 37 | CORD-ELECTRIC POWER |
| 38 | WCI 5303210377 |
| 39 | WCI 5303001470 |
| 40B | WCI G183584 |
| 40C | WIRING HARNESS, COMPRESSOR, |
| 40 | INSULATOR-EVAP, PLASTIC |
| 40A | HOT TUBE REPAIR KIT-SERVICE |