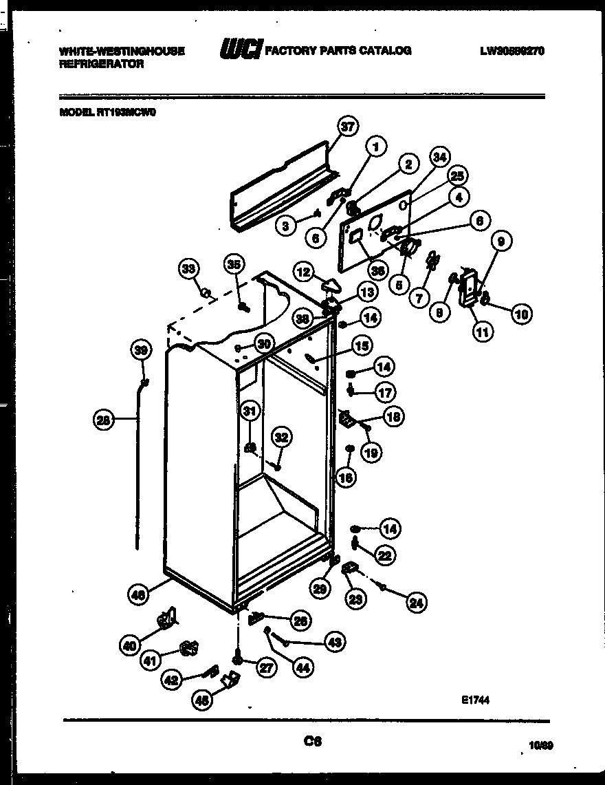
RT193MCV0 03 – CABINET PARTS