RT194LCW3 03 – CABINET PARTSadmin2025-04-26T10:20:37+00:00RT194LCW3 03 – CABINET PARTS
Products
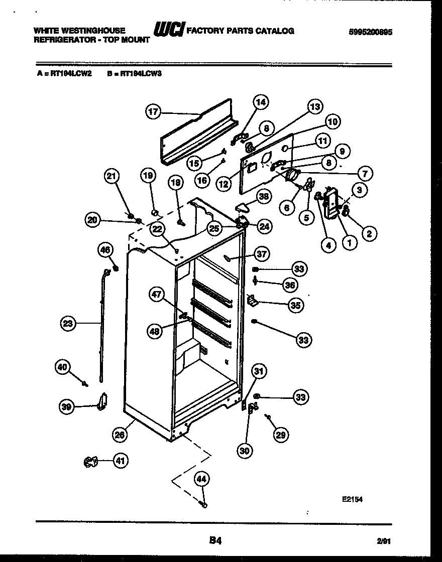
| Position | Product |
|---|
| *42597 | PLUG, BUTTON, CABINET LINER (NI) |
| 1 | WCI 5349007601 |
| 1A | WCI G000187640 |
| 2 | WCI 5316266315 |
| 3 | Nut,push-on |
| 4 | DAMPER-FAN COVER |
| 5 | 5308000010 Frigidaire Refrigerator Evaporator Fan Blade |
| 6 | 5304455651 Frigidaire Refrigerator Screw |
| 7 | RING-FAN ORIFICE |
| 8 | G187559 Frigidaire Refrigerator Bushing |
| 9 | WCI 5303001226 |
| 10A | NUT, ``U`` TYPE, NO. 8-15(A), FAN MOTOR MOUNT (NOT ILLUSTRATED) |
| 10 | WCI 5308009771 |
| 10B | 5304455650 Frigidaire Refrigerator Screw |
| 11 | 5303208309 Frigidaire Refrigerator Plug Hole |
| 12 | PLUG-DECORATIVE, ICE MAKER HOLE |
| 13 | 5300158289 Frigidaire Evaporator Fan Motor |
| 14 | BRACKET-MOTOR MTG, REAR |
| 15 | WCI 5308000107 |
| 17 | WCI 5303001470 |
| 18 | SUPPORT-COIL COVER |
| 19 | TUBE-RUBBER |
| 20 | WCI 5303001286 |
| 21 | WCI 5303001287 |
| 22 | PLUG-BUTTON, WHITE |
| 23 | WCI 5303210377 |
| 24 | BRACKET-UPPER HINGE |
| 24B | TAPPING PLATE, UPPER HINGE (2) (NOT ILLUSTRATED) |
| 25 | SHIM - UPPER HINGE |
| 26 | WCI 3212487 |
| 29 | 241710601 Frigidaire Refrigerator Screw |
| 30 | BRACKET-LOWER HINGE, W/ HINGE PIN |
| 31A | TAPPING PLATE, GUSSET, RH (NOT ILLUSTRATED) |
| 31 | WCI 5303212488 |
| 31B | TAPPING PLATE, GUSSET, LH (NOT ILLUSTRATED) |
| 33 | WCI 5308000186 |
| 35A | WCI 5308012258 |
| 35 | BRACKET-CTR HINGE |
| 36 | WCI 5308000184 |
| 37 | TRIM-CABINET CORNER, WHITE |
| 38 | COVER-UPPER HINGE, WHITE |
| 39 | WCI 5308009773 |
| 40 | BOLT-ROLLER MTG, HEX WASHER HEAD, 1/4-28 X 1/2, (2) |
| 41 | WCI 5303212490 |
| 44 | WCI 5303212598 |
| 46 | WCI 5303207353 |
| 47 | WCI 5308000056 |
| 48 | WCI 5303001361 |