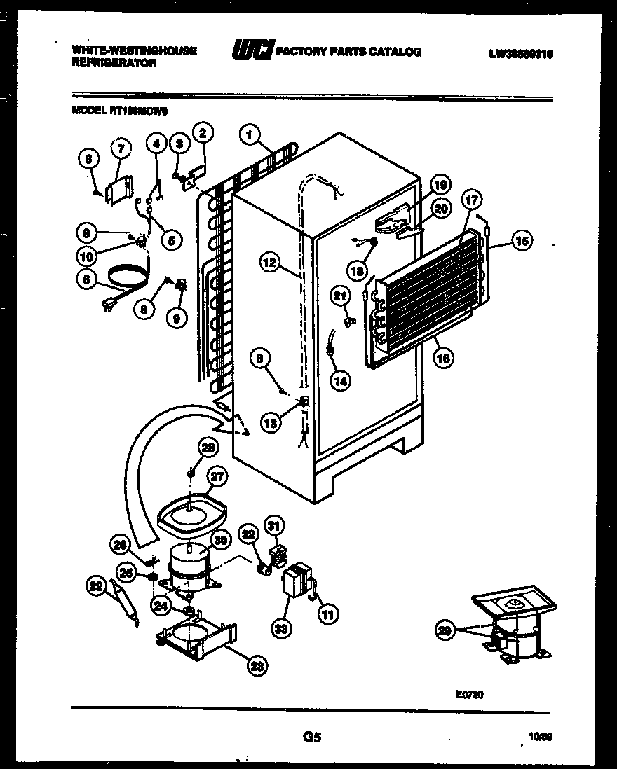
RT196MCF0 05 – SYSTEM AND AUTOMATIC DEFROST PARTSadmin2025-04-26T10:21:56+00:00RT196MCF0 05 – SYSTEM AND AUTOMATIC DEFROST PARTS ProductsPositionProduct*24774HOT TUBE REPAIR KIT1WCI G1631332BRACKET-CONDENSER MOUNTING (4)3AWASHER35308000039 Frigidaire Refrigerator Screw4WCI 30189005HARNESS-COMPRESSOR6CORD, SERVICE7WCI G18358485304455651 Frigidaire Refrigerator Screw105303001199 Frigidaire Refrigerator Wiring Harness Clamp115303006412 Frigidaire Refrigerator Cover Mounting Strap12HEAT-EXCH13240396801 Frigidaire Refrigerator Tube Clamp145308000110 Frigidaire Refrigerator Evaporator/Heater Primary Strap155317842502 Frigidaire Defrost Heater16INSULATOR17EVAPORATOR185303917954 Frigidaire Refrigerator Defrost Limit Thermostat Kit19BLOCK, EVAPORATOR, RH20PLUG, EVAPORATOR INSULATION BLOCK, R H21BLOCK, LEFT SIDE225303305677 Frigidaire Replacement Filter Dryer Filters23WCI 0801366324218513300 Frigidaire Refrigerator Compressor Mount Grommet25WASHER, COMPRESSOR MOUNTING (4)26CLIP, COMPRESSOR MOUNTING (4)27A5303307583 Frigidaire Refrigerator P1 Pad Noise Reduction27DEFROST PAN & NUT28NUT, LOCK29PAN RETAINER KIT-SERVICE30ACAPACITOR-RUN30WCI 391600431WCI 300717332WCI 3001713