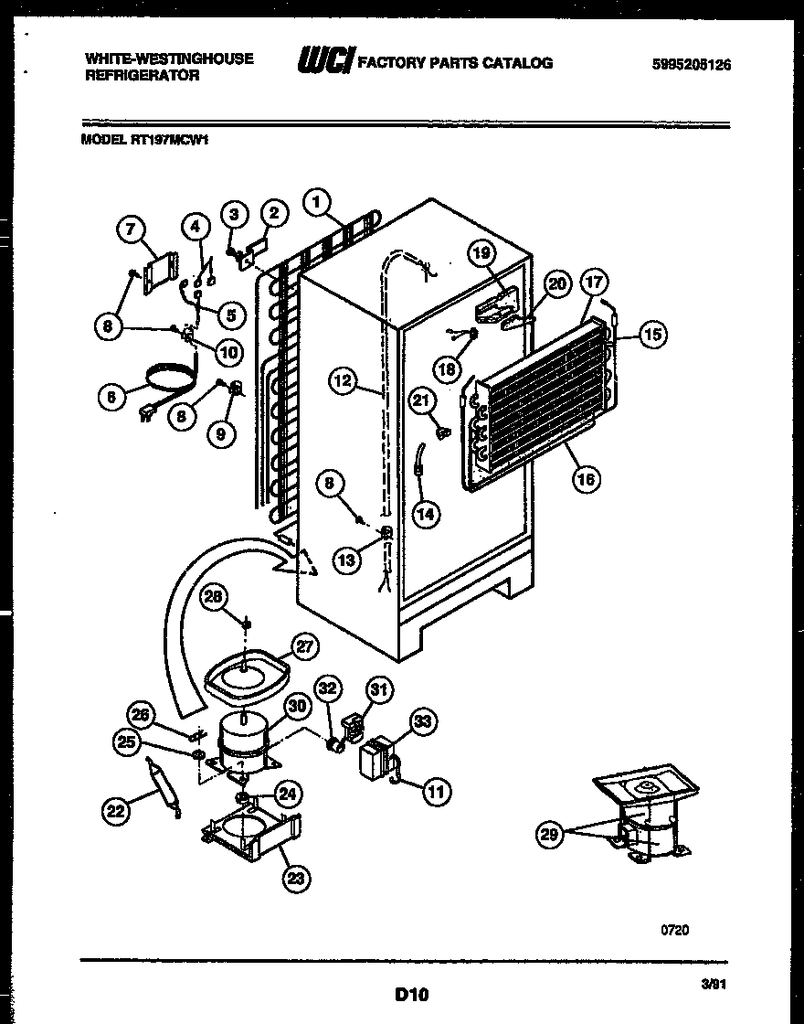
RT197MCH1 05 – SYSTEM AND AUTOMATIC DEFROST PARTS