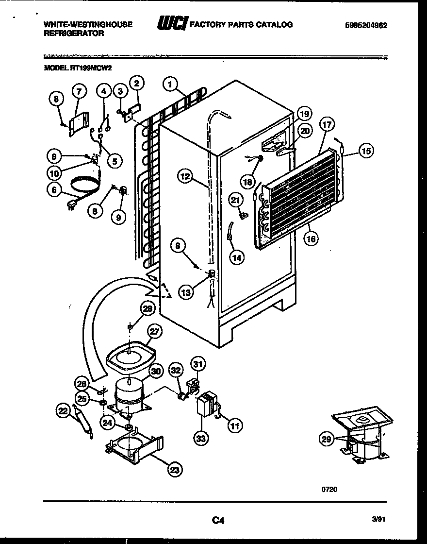
RT199MCD2 05 – SYSTEM AND AUTOMATIC DEFROST PARTS