RT199MCH1 03 – CABINET PARTSadmin2025-04-26T10:22:27+00:00RT199MCH1 03 – CABINET PARTS
Products
| Position | Product |
|---|
| *31666 | PLUG, BUTTON, CABINET LINER (NI) |
| *31666 | TAPPING PLATE, UPPER HINGE (2) (NOT ILLUSTRATED) |
| *31666 | WCI 5303001287 |
| *31666 | WCI 5303001286 |
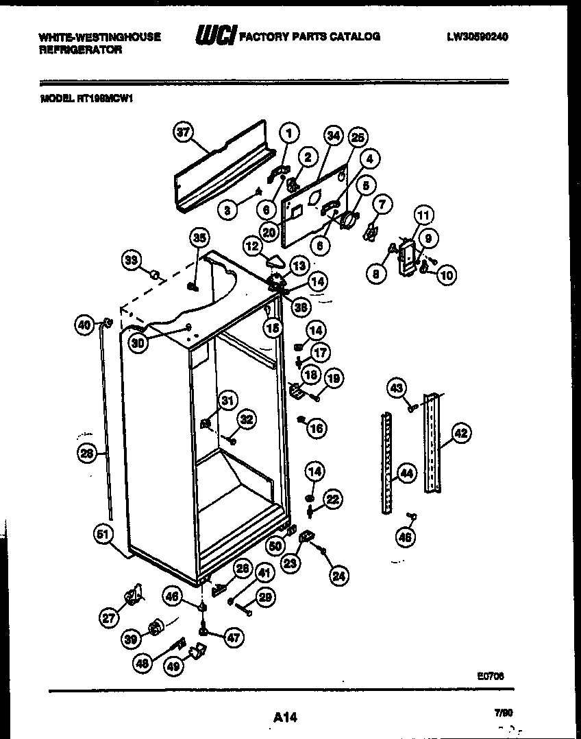
| 1 | BRACKET-MOTOR MTG, REAR |
| 2 | 5300158289 Frigidaire Evaporator Fan Motor |
| 3 | WCI 5308000107 |
| 4 | WCI 5303001226 |
| 5A | 218843801 Frigidaire Refrigerator Screw |
| 5 | RING-FAN ORIFICE |
| 6 | G187559 Frigidaire Refrigerator Bushing |
| 7 | 5308000010 Frigidaire Refrigerator Evaporator Fan Blade |
| 8 | DAMPER-FAN COVER |
| 9 | Nut,push-on |
| 10 | WCI 3206381 |
| 11 | WCI 3206318 |
| 11B | LABEL - FAN COVER (NON-ILLUSTRATED) |
| 12 | COVER - HINGE-WHEAT |
| 13 | BRACKET-UPPER HINGE |
| 14 | WASHER, .34 X .62 X .05, NYLON |
| 15 | WCI 5303202338 |
| 16 | WASHER, .28 X .62 X .19, NYLON |
| 17 | WCI 5308000184 |
| 18 | BRACKET-CTR HINGE |
| 19 | WCI 5308012258 |
| 20 | PLUG-DECORATIVE, ICE MAKER HOLE |
| 22 | 5303001321 Frigidaire Refrigerator Lower Hinge Pin |
| 23 | HINGE BRACKET - BOTTOM |
| 24 | 241710601 Frigidaire Refrigerator Screw |
| 25 | 5303208309 Frigidaire Refrigerator Plug Hole |
| 26 | COVER-HOLE, LOWER HINGE |
| 27A | 5304455651 Frigidaire Refrigerator Screw |
| 27A | BOLT-ROLLER MTG, HEX WASHER HEAD, 1/4-28 X 1/2, (2) |
| 27 | WCI 5308009773 |
| 28 | WCI 5303210377 |
| 29 | BOLT-ROLLER ADJ, (2) (NON-ILLUSTRATED) |
| 30 | BUTTON-HINGE-WHEAT |
| 31 | WCI 5308000056 |
| 32 | WCI 5303001361 |
| 33 | TUBE-RUBBER |
| 34 | WCI 5308009771 |
| 34A | 5304455650 Frigidaire Refrigerator Screw |
| 34B | NUT, ``U`` TYPE, NO. 8-15(A), FAN MOTOR MOUNT (NOT ILLUSTRATED) |
| 35 | SUPPORT-COIL COVER |
| 37 | WCI 5303001470 |
| 38 | SHIM - UPPER HINGE |
| 39 | WCI 5308009760 |
| 40 | WCI 5303207353 |
| 41 | WCI 5308011326 |
| 42 | CHANNEL, RH & LH |
| 43 | 5304455852 Frigidaire Refrigerator Screw |
| 44 | WCI 5303015409 |
| 45 | WCI 5308016568 |
| 46 | WCI 5308003584 |
| 47 | SCREW-LEVELING (4) |
| 48 | WCI 5308009790 |
| 49 | SUPPORT, BASE (2) |
| 50 | SHIM-LOWER HINGE |
| 51 | CABINET BASE |