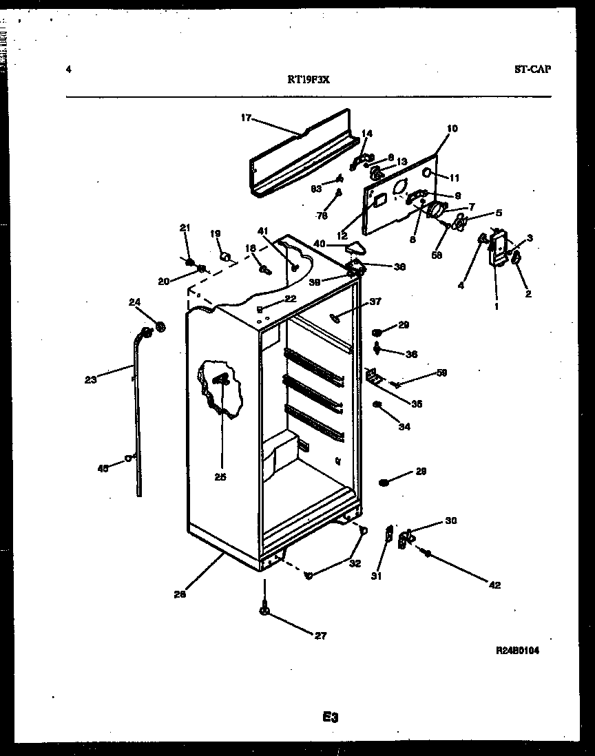
RT19F3DX3A 03 – CABINET PARTS