RT19F3DX3A 07 – SYSTEM AND AUTOMATIC DEFROST PARTSadmin2025-04-26T10:21:13+00:00RT19F3DX3A 07 – SYSTEM AND AUTOMATIC DEFROST PARTS
Products
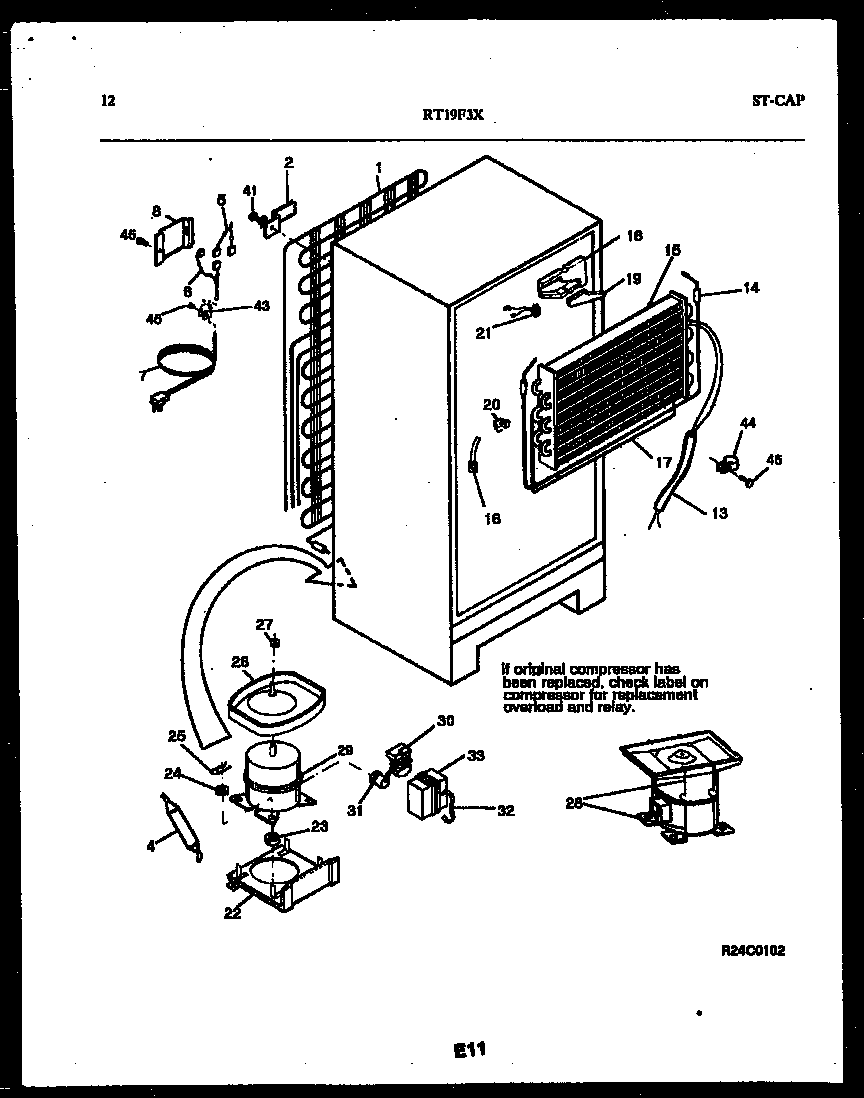
| Position | Product |
|---|
| *42191 | HOT TUBE REPAIR KIT-SERVICE |
| 1 | WCI 5300163133 |
| 2A | WASHER, EXT TOOTH LOCK, NO. 10 (NON-ILLUSTRATED) |
| 2 | BRACKET-MTG (4) |
| 4 | 5303305677 Frigidaire Replacement Filter Dryer Filters |
| 5 | WCI 3018900 |
| 6 | WIRING HARNESS, COMPRESSOR, |
| 7 | CORD-ELECTRIC POWER |
| 8 | WCI 5303001197 |
| 13 | WCI 5308000728 |
| 14 | 5317842502 Frigidaire Defrost Heater |
| 15 | EVAPORATOR |
| 16 | 5308000110 Frigidaire Refrigerator Evaporator/Heater Primary Strap |
| 17 | INSULATOR-EVAP, PLASTIC |
| 18 | INSULATION BLOCK, RH |
| 19 | INSULATION PLUG, RH |
| 20 | INSULATION BLOCK, LH |
| 21 | 5303917954 Frigidaire Refrigerator Defrost Limit Thermostat Kit |
| 22 | WCI 5308013663 |
| 23 | 218513300 Frigidaire Refrigerator Compressor Mount Grommet |
| 24 | WASHER-COMPR MTG |
| 25 | CLIP - COMPRESSOR MTG |
| 26 | PAN-DEFROST DRAIN, ORIG/SVCE COMPR |
| 26A | 5303307583 Frigidaire Refrigerator P1 Pad Noise Reduction |
| 27 | Nut,lock `1/4-20 ,drain pan mtg |
| 28 | PAN RETAINER KIT, SERVICE |
| 29 | COMPRESSOR W/ ELECTRICALS-SERVICE |
| 30 | 216594300 Frigidaire Refrigerator Starter |
| 31 | WCI 5303270406 |
| 32 | 5303006412 Frigidaire Refrigerator Cover Mounting Strap |
| 41 | 5308000039 Frigidaire Refrigerator Screw |
| 43 | 5303001199 Frigidaire Refrigerator Wiring Harness Clamp |
| 44 | 5308000133 Frigidaire Refrigerator Clamp |
| 45 | 5304455651 Frigidaire Refrigerator Screw |