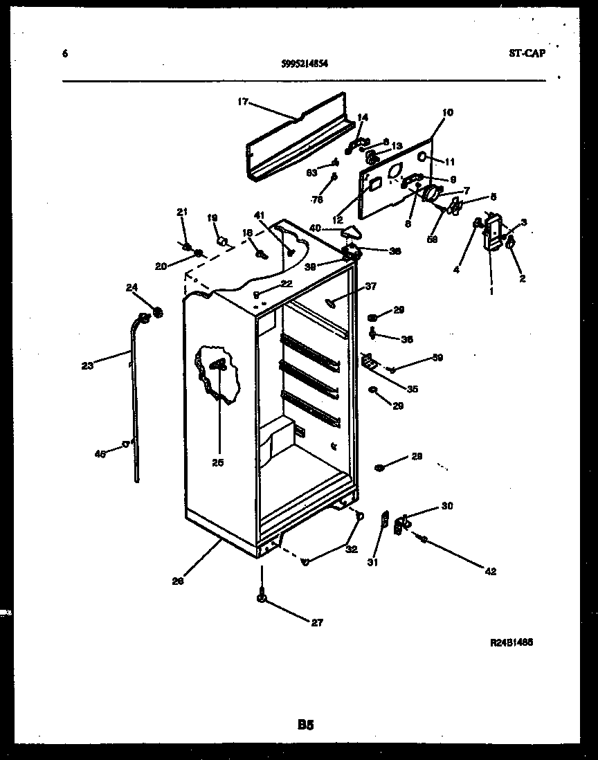
RT19F3DX3B 04 – CABINET PARTSadmin2025-04-26T10:20:38+00:00RT19F3DX3B 04 – CABINET PARTS ProductsPositionProduct*42647PLUG, BUTTON, CABINET LINER (NI)32WCI 530321292335BRACKET-CTR HINGE36WCI 530800018437TRIM-CABINET CORNER, ALMOND38BRACKET-UPPER HINGE38BTAPPING PLATE, UPPER HINGE (2) (NOT ILLUSTRATED)39SHIM - UPPER HINGE40COVER-UPPER HINGE, ALMOND415304509705 Frigidaire Refrigerator Grommet41A5304500407 Frigidaire Refrigerator Shelf Mounting Grommet42241710601 Frigidaire Refrigerator Screw455304455651 Frigidaire Refrigerator Screw59WCI 530801225883WCI 5308000107