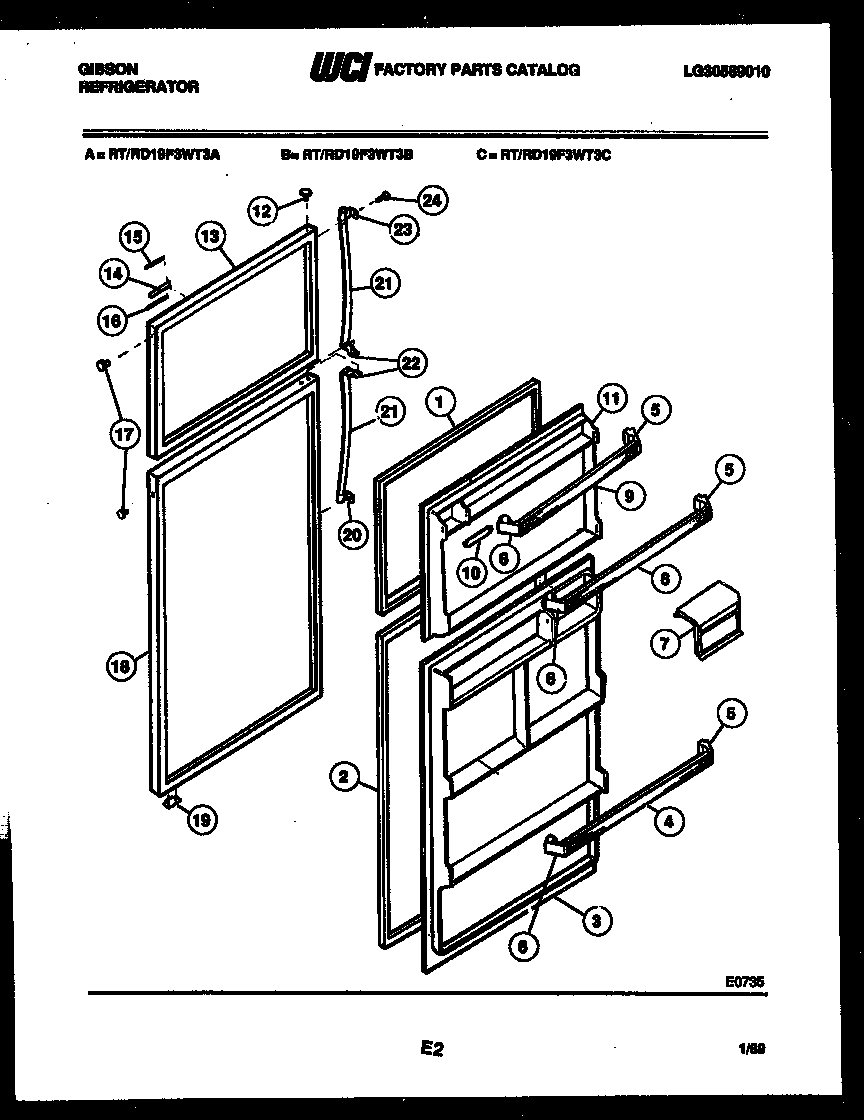
RT19F3WT3B 02 – DOOR PARTS