RT19F3WX3A 04 – CABINET PARTSadmin2025-04-26T10:22:05+00:00RT19F3WX3A 04 – CABINET PARTS
Products
| Position | Product |
|---|
| *42185 | PLUG, BUTTON, CABINET LINER (NI) |
| 34 | WASHER, .28 X .62 X .19, NYLON |
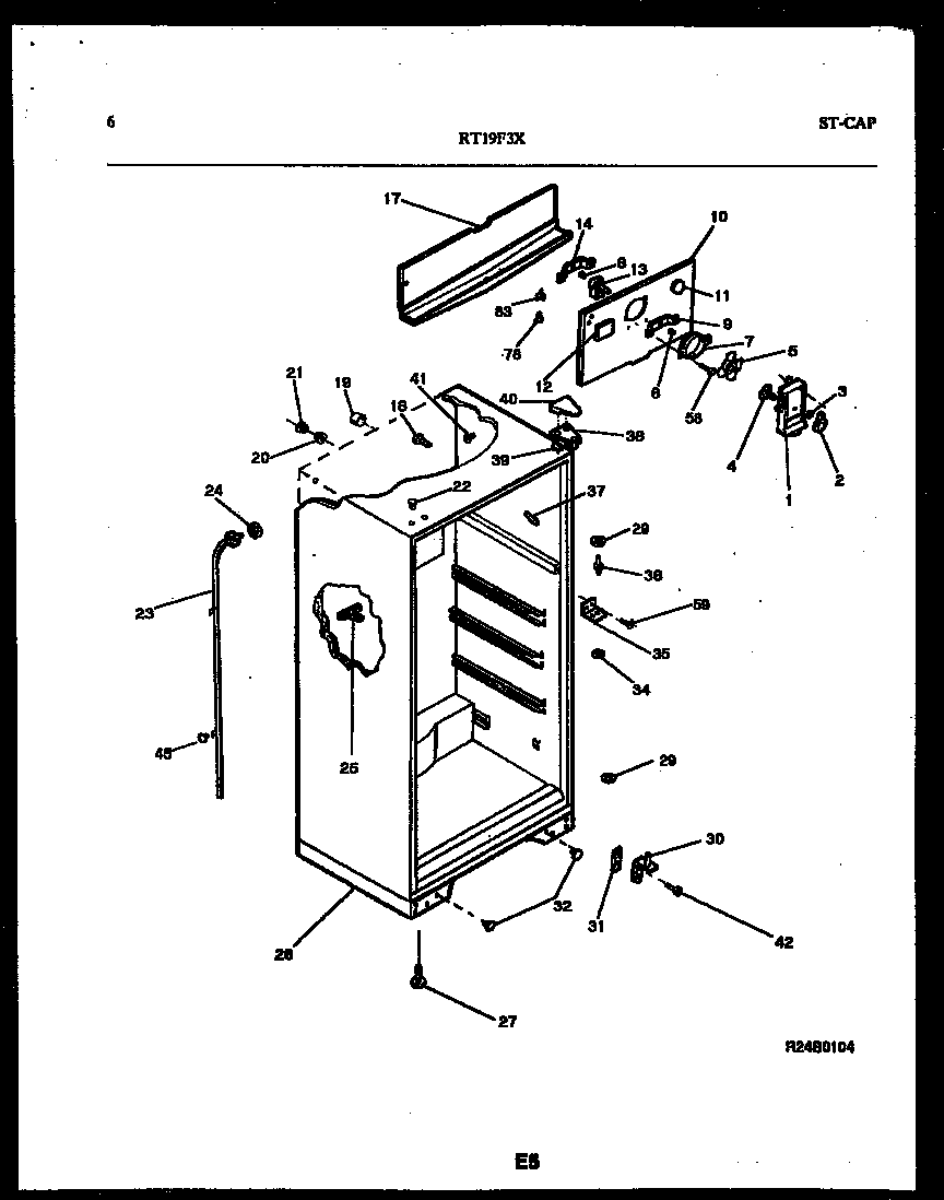
| 35 | BRACKET-CTR HINGE |
| 36 | WCI 5308000184 |
| 37 | TRIM-CABINET CORNER, WHITE |
| 38 | BRACKET-UPPER HINGE |
| 38B | TAPPING PLATE, UPPER HINGE (2) (NOT ILLUSTRATED) |
| 39 | SHIM - UPPER HINGE |
| 40 | COVER-UPPER HINGE, WHITE |
| 41 | 5304509705 Frigidaire Refrigerator Grommet |
| 41A | 5304500407 Frigidaire Refrigerator Shelf Mounting Grommet |
| 42 | 241710601 Frigidaire Refrigerator Screw |
| 43 | WCI 5303212490 |
| 44 | WCI 5308009773 |
| 45 | 5304455651 Frigidaire Refrigerator Screw |
| 46 | BOLT-ROLLER MTG, HEX WASHER HEAD, 1/4-28 X 1/2, (2) |
| 59 | WCI 5308012258 |
| 83 | WCI 5308000107 |