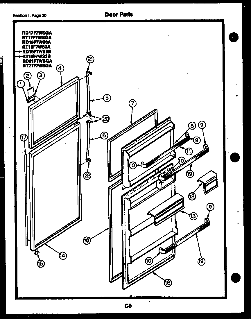
RT19F7WS3B 15 – DOOR PARTSadmin2025-04-26T10:20:31+00:00RT19F7WS3B 15 – DOOR PARTS ProductsPositionProduct*21388240494001 Frigidaire Refrigerator Plug Button*21387WCI G169332-01*21389WCI G168981-011LABEL, LOWER2WCI G175118-023ATAPE - FRAME3NAMEPLATE4PANEL, OUTER, WHITE6AWCI G1855666WCI G170495-247FC DOOR GASKET, MAGNETIC8AWCI G162585 (22)8WCI G184903-019SUPPORT RS (4)10SUPPORT LS (4)11WCI G162887-1813DAIRY DOOR (2)14REFRIGERATOR DOOR-WHITE14ABEARING, HINGE (3)15STOP, DOOR. PC & FC (2)16PC DOOR GASKET, MAGNETIC17TRIM-REFRIG DOOR18PANEL-INNER18A5304455651 Frigidaire Refrigerator Screw19AWCI G162887-21 (2)20WCI G170507-0121WCI G17980022WCI G179801