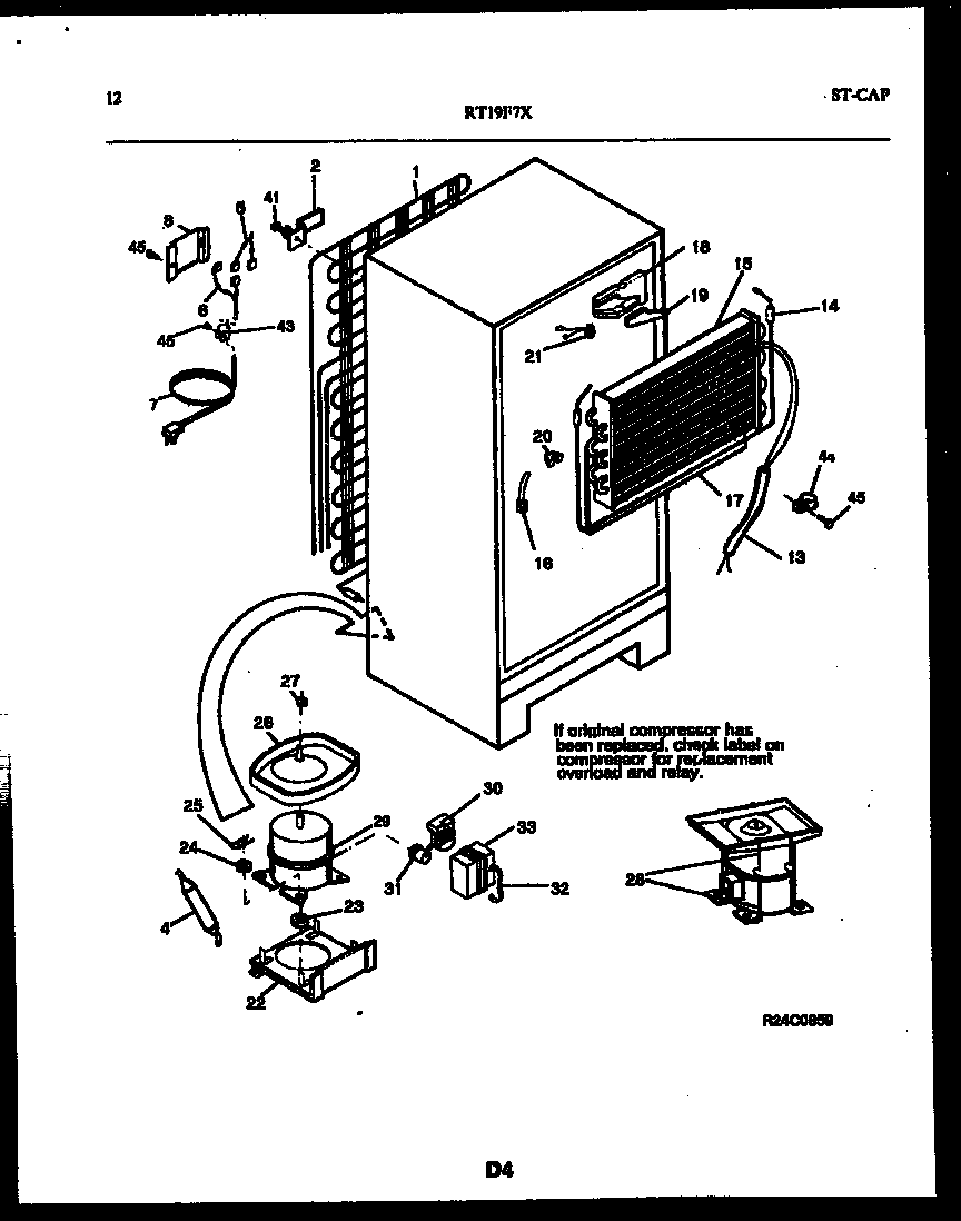
RT19F7WX3A 07 – SYSTEM AND AUTOMATIC DEFROST PARTS