RT19F8WU3B 03 – CABINET PARTSadmin2025-04-26T10:22:58+00:00RT19F8WU3B 03 – CABINET PARTS
Products
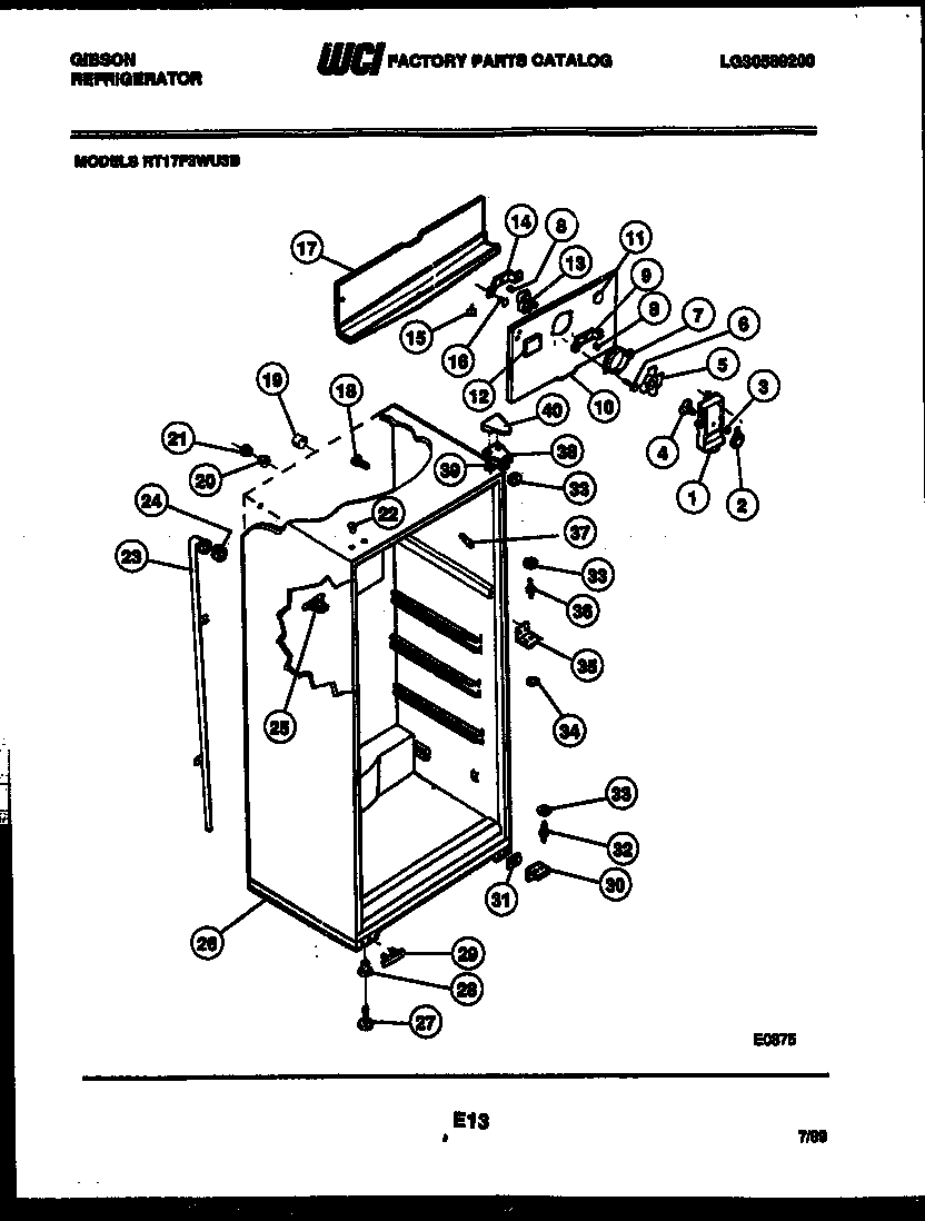
| Position | Product |
|---|
| 1 | WCI G163061-81 |
| 2 | KNOB-DAMPER |
| 3 | NUT, DAMPER MOUNTING |
| 4 | DAMPER FAN COVER |
| 5 | 5308000010 Frigidaire Refrigerator Evaporator Fan Blade |
| 6 | 5304455650 Frigidaire Refrigerator Screw |
| 7 | RING, FAN ORIFICE |
| 8 | G187559 Frigidaire Refrigerator Bushing |
| 9 | WCI G185302 |
| 10A | NUT, ORIFICE (2) |
| 10 | WCI G177529 |
| 11 | PLUG-SHORT TEST HOLE (NON-ILLUSTRATED) |
| 12A | 5304500407 Frigidaire Refrigerator Shelf Mounting Grommet |
| 12 | 5304509705 Frigidaire Refrigerator Grommet |
| 13 | 5300158289 Frigidaire Evaporator Fan Motor |
| 14 | WCI G185303 |
| 15 | WCI G164571 |
| 16 | 5304455651 Frigidaire Refrigerator Screw |
| 17 | WCI G177534 |
| 18 | WCI G163669 |
| 19 | TUBE, INSULATION (2) |
| 20 | WCI G174733 |
| 21 | WCI G174734 |
| 22 | WCI G174747-10 |
| 22 | WCI G174747-08 |
| 22 | WCI G174747--01 |
| 22 | WCI G174747-11 |
| 22 | WCI G174747-09 |
| 23 | TUBE, DRAIN |
| 24 | RING, SEAL (NON-ILLUSTRATED) |
| 25 | SPOUT DRAIN TUBE |
| 25A | PIN PUSH SPOUT (2) |
| 26 | WCI G490004-02 |
| 27 | LEG-LEVELING (2) |
| 28 | NUT, ANCHOR (2) |
| 29 | WCI G166912 |
| 30 | BRACKET-HINGE |
| 31 | SHIM, HINGE |
| 31A | WCI G170797 |
| 32 | 5303001321 Frigidaire Refrigerator Lower Hinge Pin |
| 33 | WCI G103903 |
| 34 | WASHER, NYLON 5/16 X 5/8 (CTR & LOWER HINGE BRACKET) |
| 35A | SCREW, BRACKET MOUNTING (4) |
| 35 | WCI G193207 |
| 35B | WASHER (2) |
| 36 | WCI G142220 |
| 37 | TRIM CORNER (4), AVOCADO |
| 37 | TRIM-CORNER, ALMOND (4) |
| 37 | WCI G179684-09 |
| 37 | WCI G179684-01 |
| 37 | WCI G179684-10 |
| 38 | BRACKET, TOP HINGE |
| 38A | 241710601 Frigidaire Refrigerator Screw |
| 39 | WCI G183861 |
| 40 | COVER, TOP HINGE, AVOCADO |
| 40 | COVER HINGE, COFFEE |
| 40 | COVER HINGE, WHEAT |
| 40 | COVER HINGE, WHITE |
| 40 | COVER, TOP HINGE, ALMOND |