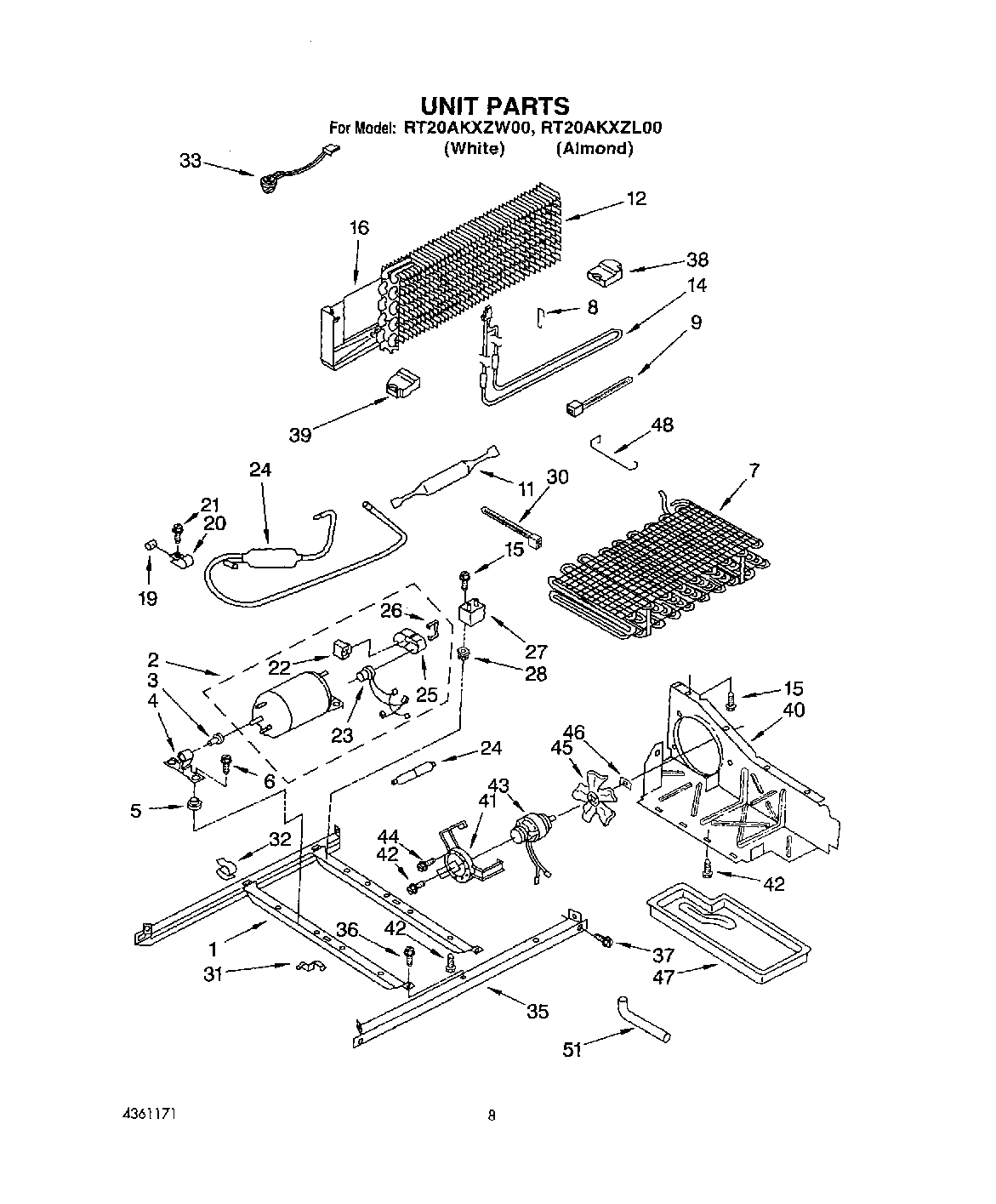
RT20AKXZW00 07 – UNIT