RT215MCV2 05 – SYSTEM AND AUTOMATIC DEFROST PARTSadmin2025-04-26T10:26:15+00:00RT215MCV2 05 – SYSTEM AND AUTOMATIC DEFROST PARTS
Products
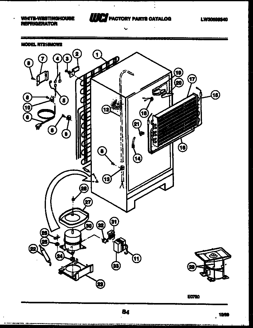
| Position | Product |
|---|
| *24999 | HOT TUBE REPAIR KIT |
| 1 | WCI G163133 |
| 2 | BRACKET-CONDENSER MOUNTING (4) |
| 3 | 5308000039 Frigidaire Refrigerator Screw |
| 3A | WASHER |
| 4 | HARNESS-WIRING, CONTROL/DIVIDER (NOT ILLUSTRATED) |
| 5 | HARNESS-COMPRESSOR |
| 6 | CORD, SERVICE |
| 7 | WCI G183584 |
| 8 | 5304455651 Frigidaire Refrigerator Screw |
| 10 | 5303001199 Frigidaire Refrigerator Wiring Harness Clamp |
| 11 | STRAP-COVER |
| 12 | HEAT-EXCH |
| 13 | 240396801 Frigidaire Refrigerator Tube Clamp |
| 14 | 5308000110 Frigidaire Refrigerator Evaporator/Heater Primary Strap |
| 15 | 5317842502 Frigidaire Defrost Heater |
| 16 | INSULATOR |
| 17 | EVAPORATOR |
| 18 | 5303917954 Frigidaire Refrigerator Defrost Limit Thermostat Kit |
| 19 | BLOCK, EVAPORATOR, RH |
| 20 | PLUG, EVAPORATOR INSULATION BLOCK, R H |
| 21 | BLOCK, LEFT SIDE |
| 22 | 5303305677 Frigidaire Replacement Filter Dryer Filters |
| 23 | WCI 08013663 |
| 24 | 218513300 Frigidaire Refrigerator Compressor Mount Grommet |
| 25 | WASHER, COMPRESSOR MOUNTING (4) |
| 26 | CLIP, COMPRESSOR MOUNTING (4) |
| 27A | DEFROST PAN |
| 27 | DEFROST PAN & NUT |
| 27B | 5303307583 Frigidaire Refrigerator P1 Pad Noise Reduction |
| 28 | NUT, LOCK |
| 29 | PAN RETAINER KIT-SERVICE |
| 30A | CAPACITOR-RUN |
| 30 | WCI 3916012 |
| 31 | WCI 3007173 |
| 32A | WCI 3202891 |
| 32 | WCI 3202863 |
| 33 | WCI G185792 |