RT219MCH2 05 – SYSTEM AND AUTOMATIC DEFROST PARTSadmin2025-04-26T10:26:07+00:00RT219MCH2 05 – SYSTEM AND AUTOMATIC DEFROST PARTS
Products
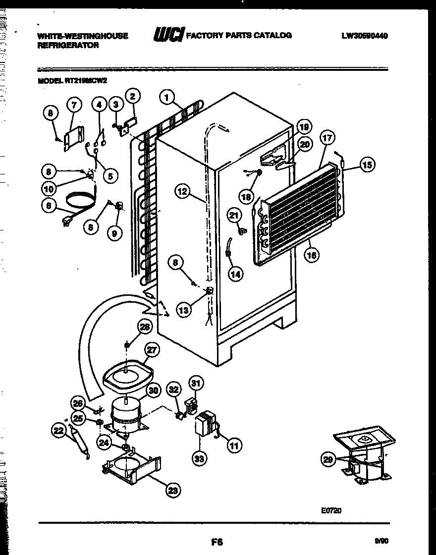
| Position | Product |
|---|
| *35750 | HOT TUBE REPAIR KIT-SERVICE |
| 1 | WCI 5300163133 |
| 2 | BRACKET-MTG (4) |
| 3 | 5308000039 Frigidaire Refrigerator Screw |
| 3A | WASHER, EXT TOOTH LOCK, NO. 10 (NON-ILLUSTRATED) |
| 4 | HARNESS-WIRING, CONTROL/DIVIDER (NOT ILLUSTRATED) |
| 5 | WIRING HARNESS, COMPRESSOR, |
| 6 | CORD-ELECTRIC POWER |
| 7 | WCI 5303001197 |
| 8 | 5304455651 Frigidaire Refrigerator Screw |
| 10 | 5303001199 Frigidaire Refrigerator Wiring Harness Clamp |
| 11 | WCI 5303211232 |
| 12 | WCI 5308000728 |
| 13 | 5308000133 Frigidaire Refrigerator Clamp |
| 14 | 5308000110 Frigidaire Refrigerator Evaporator/Heater Primary Strap |
| 15 | 5317842502 Frigidaire Defrost Heater |
| 16 | INSULATOR-EVAP, PLASTIC |
| 17 | WCI 5300162506 |
| 18 | 5303917954 Frigidaire Refrigerator Defrost Limit Thermostat Kit |
| 19 | INSULATION BLOCK, RH |
| 20 | INSULATION PLUG, RH |
| 21 | INSULATION BLOCK, LH |
| 22 | 5303305677 Frigidaire Replacement Filter Dryer Filters |
| 23 | WCI 5308013663 |
| 24 | 218513300 Frigidaire Refrigerator Compressor Mount Grommet |
| 25 | WASHER-COMPR MTG |
| 26 | CLIP - COMPRESSOR MTG |
| 27A | PAN-DEFROST-ORIG COMPRESSOR |
| 27B | 5303307583 Frigidaire Refrigerator P1 Pad Noise Reduction |
| 27 | PAN-DEFROST DRAIN, ORIG/SVCE COMPR |
| 28 | Nut,lock `1/4-20 ,drain pan mtg |
| 29 | PAN RETAINER KIT, SERVICE |
| 30A | CAPACITOR |
| 30 | COMPRESSOR W/ ELECTRICALS |
| 31 | RELAY-TL |
| 32A | WCI 3202891 |
| 32 | WCI 3202863 |
| 33 | WCI 5303209254 |