RT21F6WT3B 05 – SYSTEM AND AUTOMATIC DEFROST PARTSadmin2025-04-26T10:27:35+00:00RT21F6WT3B 05 – SYSTEM AND AUTOMATIC DEFROST PARTS
Products
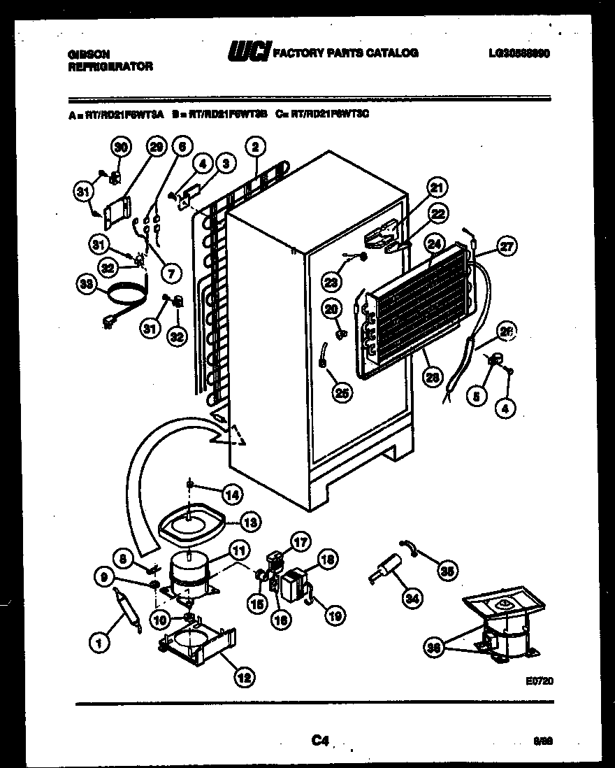
| Position | Product |
|---|
| *86629 | HOT TUBE REPAIR KIT |
| 1 | 5303305677 Frigidaire Replacement Filter Dryer Filters |
| 2 | WCI G186110 |
| 3 | BRACKET-CONDENSER MOUNTING (4) |
| 4 | 5308000039 Frigidaire Refrigerator Screw |
| 5 | 240396801 Frigidaire Refrigerator Tube Clamp |
| 6 | HARNESS-DIVIDER (NON-ILLUSTRATED) |
| 7 | HARNESS COMPR |
| 8 | CLIP, COMPRESSOR MOUNTING (4) |
| 9 | WASHER, COMPRESSOR MOUNTING (4) |
| 10 | 218513300 Frigidaire Refrigerator Compressor Mount Grommet |
| 11 | COMPR W/ ELECT |
| 12 | PLATE |
| 13 | DEFROST PAN & NUT |
| 14 | NUT, LOCK |
| 15 | WCI G166052 |
| 16 | RETAINER, OVERLOAD |
| 17 | WCI G182225-02 |
| 19 | 5303006412 Frigidaire Refrigerator Cover Mounting Strap |
| 20 | BLOCK, LEFT SIDE |
| 21 | BLOCK, EVAPORATOR, RH |
| 22 | PLUG, EVAPORATOR INSULATION BLOCK, R H |
| 23 | 5303917954 Frigidaire Refrigerator Defrost Limit Thermostat Kit |
| 24 | EVAPORATOR |
| 25 | 5308000110 Frigidaire Refrigerator Evaporator/Heater Primary Strap |
| 26 | HEAT, EXCHANGE |
| 27 | 5317842502 Frigidaire Defrost Heater |
| 28 | INSULATOR |
| 29 | WCI G183584 |
| 29 | CLAMP-CABLE |
| 30 | 5304455651 Frigidaire Refrigerator Screw |
| 32 | 5303001199 Frigidaire Refrigerator Wiring Harness Clamp |
| 33 | CORD, SERVICE |
| 36 | WCI G167234 |