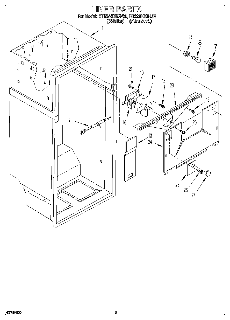
| 1 | Liner (Not A Serviceable Part) |
| 2 | Wiring, Fan Motor |
| 3 | SOCKET |
| 4 | WP941839 Whirlpool Refrigerator Button Plug |
| 7 | Light Lens |
| 8 | W11679940 Whirlpool Refrigerator Light Bulb Assembly |
| 13 | Cover, Air Duct |
| 15 | WP489478 Whirlpool Refrigerator Screw |
| 16 | 482731 Whirlpool Refrigerator Evaporator Fan Motor Kit |
| 17 | WP1100938 Whirlpool Refrigerator Fan Blade |
| 19 | Grommet |
| 21 | Screw (2) |
| 23 | Scroll, Fan |
| 24 | Evaporator Cover |
| 25 | WP488729 Whirlpool Refrigerator Door Screw |
| 26 | WP2217784 Whirlpool Refrigerator Cover |
| 27 | Hole Plug |