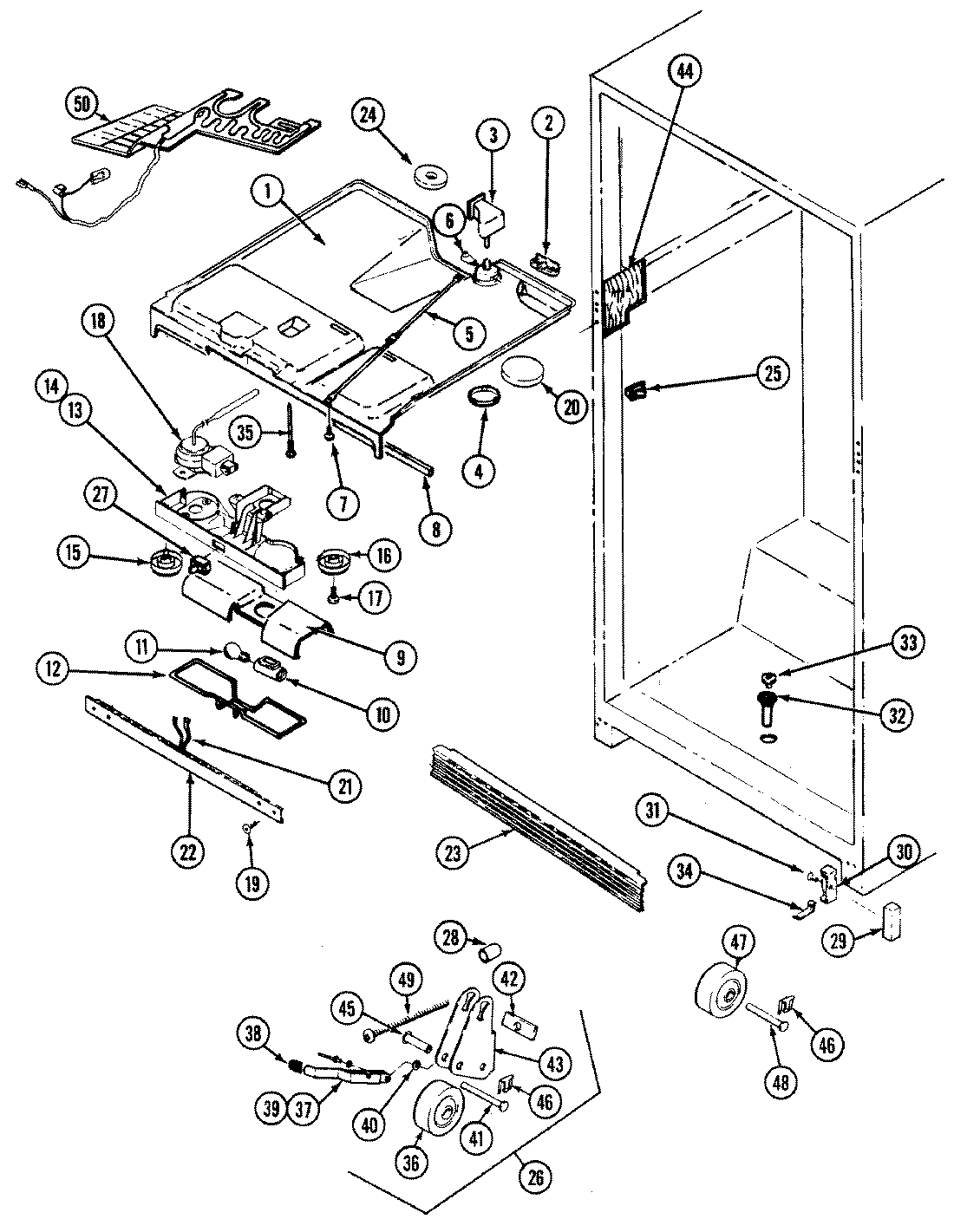
RTC1500CAL 02 – FRESH FOOD COMPARTMENTadmin2025-04-26T08:49:43+00:00RTC1500CAL 02 – FRESH FOOD COMPARTMENT ProductsPositionProduct1MAY 69407-12MAY 69623-13MAY 69811-24MAY 67493-15MAY 69418-36MAY 67636-27MAY 65275-137MAY 420005-18MAY 69413-19MAY 69849-110MAY 69425-111MAY 31956-112MAY 69426-113MAY 69790-114MAY 405016-3515MAY 69417-316MAY 69417-417MAY 65275-3818MAY 406013-118MAY 68601-419MAY 65275-6720MAY 69037-121MAY 69617-122MAY 69420-1-WW22MAY 70118-123MAY 67023-1823MAY 67023-1924MAY 68989-125W11384469 Whirlpool Door Switch26MAY 72319-326MAY 72319-427MAY 67363-228MAY 24580-429MAY 67117-529MAY 67117-430MAY 67854-530WP489478 Whirlpool Refrigerator Screw30MAY 67854-430MAY 67854-630MAY 67854-331MAY 414013-132MAY 54531-733MAY 65039-134MAY 67259-135MAY 65275-7836MAY 69812-237MAY 67681-137MAY 67681-238MAY 67528-139MAY 406046-140MAY 420007-40041MAY 64965-142MAY 59101-143MAY 67530-144MAY 69416-244MAY 69416-146MAY 60216-147MAY 69812-148MAY 29835-24971003131 Whirlpool Oven Screw50NOT REQUIRED PART OR SEE NOTE FUSE (NOT REQUIRED)