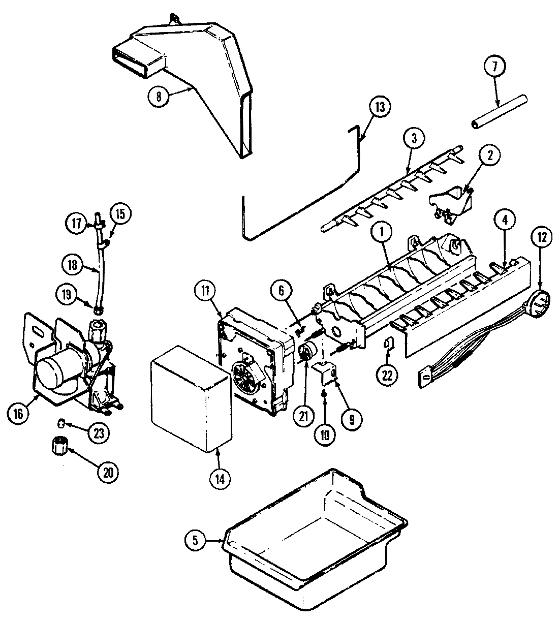
RTC1500CGE 04 – OPTIONAL ICE MAKER KIT (ICE-25)admin2025-04-26T08:49:23+00:00RTC1500CGE 04 – OPTIONAL ICE MAKER KIT (ICE-25) ProductsPositionProduct1WP99003172 Whirlpool Silicone L1D7824706Q Whirlpool Refrigerator Ice Maker Assembly2WP628356 Whirlpool Refrigerator Fill Cup3WP627843 Whirlpool Refrigerator Ejector Arm4WP2182124 Whirlpool Refrigerator Stripper Arm5MAY 68327-16WP2315522 Whirlpool Refrigerator Clip7MAY 67666-88MAY 68412-18MAY 68412-28MAY 68412-39BRACKET, MODULE & HEATER10MAY 95108-111MAY 400021-111MAY Y0610004812MAY 70076-213MAY 68112-114MAY 68328-215W10833902 Whirlpool Refrigerator Clamp15MAY 23197-815SCREW16MAY 69364-216MAY 401017-117WPM0114003 Whirlpool Microwave Speed Clip Clamp18MAY 67579-619WP627018 Whirlpool Refrigerator Nut20WP245183 Whirlpool Nut21MAY 95093-121WP627985 Whirlpool Icemaker Cycling Thermostat22MAY 68118-123WP487627 Whirlpool Refrigerator Sleeve