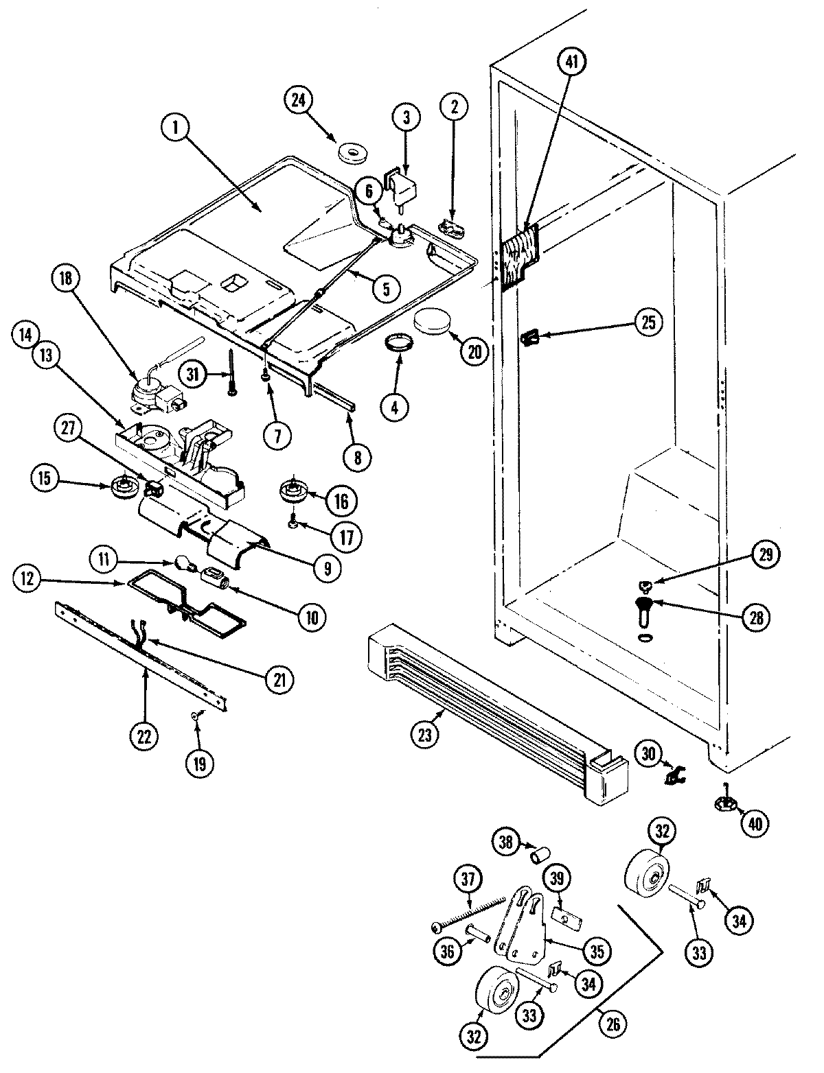
RTC1500DAE 02 – FRESH FOOD COMPARTMENTadmin2025-04-26T08:49:30+00:00RTC1500DAE 02 – FRESH FOOD COMPARTMENT ProductsPositionProduct1MAY 69407-12MAY 69623-13MAY 69811-64MAY 67493-15MAY 69418-36MAY 67636-27MAY 65275-137MAY 420005-18MAY 69413-19MAY 69849-110MAY 69425-111MAY 31956-112MAY 69426-213MAY 6100104414MAY 405016-3515MAY 69417-316MAY 69417-417MAY 65275-8318WP68601-6 Whirlpool Thermostat Control18MAY 406013-119MAY 65275-6720MAY 69037-121MAY 69617-122MAY 69420-1-WW22MAY 70118-123MAY 70287-724MAY 68989-125W11384469 Whirlpool Door Switch26MAY 72319-227MAY 67363-228MAY 54531-729MAY 65039-130MAY 70285-131MAY 65275-7832MAY 69812-133MAY 29835-234MAY 60216-135MAY 67530-136MAY 64965-13771003131 Whirlpool Oven Screw38MAY 24580-439MAY 59101-140MAY 68664-241MAY 69416-141MAY 69416-2