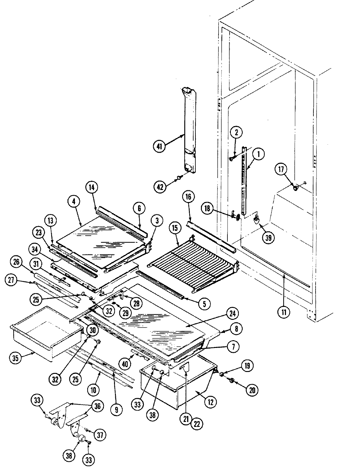
RTC1900CAE 05 – SHELVES & ACCESSORIESadmin2025-04-26T08:49:31+00:00RTC1900CAE 05 – SHELVES & ACCESSORIES ProductsPositionProduct1MAY 60096-91MAY 60096-71MAY 60096-82MAY 400037-283MAY 67269-24MAY 67267-146MAY 67309-507MAY 69779-38MAY 70042-29MAY 67204-2910MAY 69798-911MAY 68756-212MAY 69928-1312MAY 69928-1713MAY 67265-214MAY 67266-215MAY 67271-216MAY 67309-4917MAY 67163-118MAY 68757-121MAY 67895-221MAY 67895-122MAY 65275-2823MAY 67783-3424MAY 69897-225MAY 65275-626MAY 67071-827MAY 67677-228MAY 67072-1129MAY 431019-51130MAY 67073-431MAY 67074-233MAY 65275-3434MAY 67649-1335MAY 69928-2636MAY 67464-237MAY 26397-638MAY 67423-139MAY 60340-140MAY 67491-241MAY 69574-142MAY 400015-31