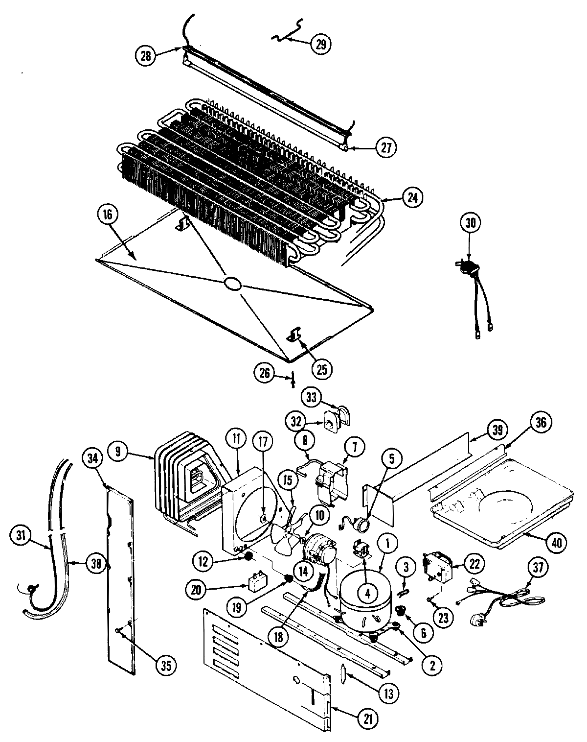
RTC1900CAE 06 – UNIT COMPARTMENT & SYSTEMadmin2025-04-26T08:49:14+00:00RTC1900CAE 06 – UNIT COMPARTMENT & SYSTEM ProductsPositionProductNIMAY 108525-1NIMAY 160003271MAY RA10111MAY RA10322MAY 17245-43MAY 52778-242154436 Whirlpool Refrigerator Start Relay4WP10097202 Whirlpool Refrigerator Start Device5MAY 69105-1054388953 Whirlpool Overload Relay6MAY 52656-27MAY 69754-17MAY 66589-28MAY 59596-18MAY 65886-19MAY 414001-19MAY 60434-39MAY 60408-210MAY 19913-011MAY 66228-112MAY 53351-113MAY 1390014MAY 67560-114MAY 65275-3315WP12587601 Whirlpool Refrigerator Condenser Blade16MAY 69118-217MAY 19914-018MAY 69181-119MAY 56933-120WP2262343 Whirlpool Refrigerator/Freezer Capacitor20WP65889-4 Whirlpool Refrigerator Capacitor21WP488729 Whirlpool Refrigerator Door Screw21MAY 69138-222MAY 69543-423MAY 405007-124MAY 69822-725MAY 60108-226MAY 26397-927WP60106-35 Whirlpool Defrost Heater Assembly28MAY 60109-529MAY 68935-130MAY 52085-3331MAY 65013-431MAY 65013-2231MAY 66223-132MAY 60068-133MAY 60069-134MAY 70162-134MAY 60110-234MAY 60177-435MAY 65275-5036MAY 60555-136MAY 60555-237MAY 52890-338MAY 68186-139WP489478 Whirlpool Refrigerator Screw39MAY 66493-1