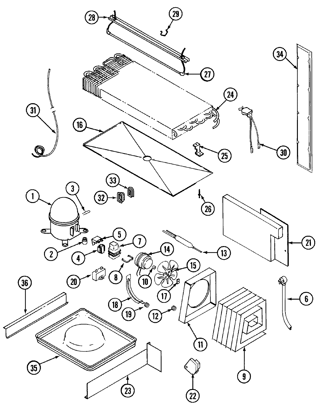
RTCA216AAM 07 – UNIT COMPARTMENT & SYSTEMadmin2025-04-26T08:49:26+00:00RTCA216AAM 07 – UNIT COMPARTMENT & SYSTEM ProductsPositionProduct1MAY 52656-21MAY RA10322MAY 17245-43MAY 52778-24WP10097202 Whirlpool Refrigerator Start Device54388953 Whirlpool Overload Relay6MAY 52890-37MAY 69754-18MAY 59596-19MAY 60408-29MAY 60434-39MAY 414001-110MAY 6100168611MAY 66228-112MAY 53351-113WPW10143759 Whirlpool Dryer Filter14MAY 65275-3314MAY 68445-115WP12587601 Whirlpool Refrigerator Condenser Blade16MAY 69118-217WP486692 Whirlpool Refrigerator Nut18MAY 69181-119MAY 56933-120WP65889-4 Whirlpool Refrigerator Capacitor21MAY 66338-421WP488729 Whirlpool Refrigerator Door Screw22MAY 405007-122WP68233-2 Whirlpool Refrigerator Defrost Timer23MAY 66493-124MAY 69822-725MAY 60108-226MAY 26397-927WP60106-35 Whirlpool Defrost Heater Assembly28MAY 60109-529MAY 68935-130MAY 52085-3331MAY 68186-131MAY 65013-2232MAY 60068-133MAY 60069-134MAY 65275-5034MAY 60177-434MAY 60110-234MAY 70162-236MAY 60555-136MAY 60555-236WP489478 Whirlpool Refrigerator Screw37MAY 108340-338MAY 16002079