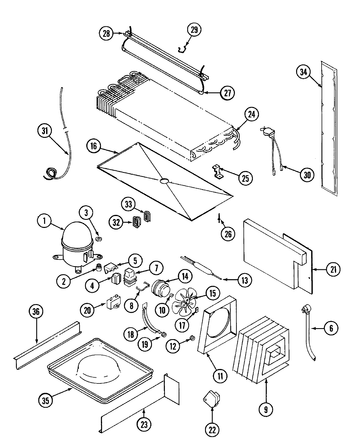
RTCA216BAE 09 – UNIT COMPARTMENT & SYSTEMadmin2025-04-26T08:49:24+00:00RTCA216BAE 09 – UNIT COMPARTMENT & SYSTEM ProductsPositionProduct1MAY RA10321MAY 52656-22MAY 17245-43MAY 52778-24WP10097202 Whirlpool Refrigerator Start Device54388953 Whirlpool Overload Relay6MAY 52890-37MAY 69754-18MAY 59596-19MAY 60434-39MAY 60408-29MAY 414001-110MAY 69063-111MAY 6100120512MAY 53351-113MAY 1390014MAY 6100101614MAY 68445-114MAY 65275-3315WP12587601 Whirlpool Refrigerator Condenser Blade16MAY 69118-217WP486692 Whirlpool Refrigerator Nut18MAY 69181-119MAY 56933-120WP65889-4 Whirlpool Refrigerator Capacitor21MAY 66338-421WP488729 Whirlpool Refrigerator Door Screw22WP68233-2 Whirlpool Refrigerator Defrost Timer22MAY 405007-123WP489478 Whirlpool Refrigerator Screw23MAY 66493-124MAY 69822-725MAY 60108-226MAY 26397-927WP60106-35 Whirlpool Defrost Heater Assembly28MAY 60109-529MAY 68825-130MAY 52085-3331MAY 65013-2231MAY 6100104232MAY 60068-133MAY 60069-134MAY 6100113634MAY 60177-434MAY 70162-234MAY 6100156134MAY 65275-5036MAY 400014-136MAY 60555-236MAY 60555-136MAY 108340-3