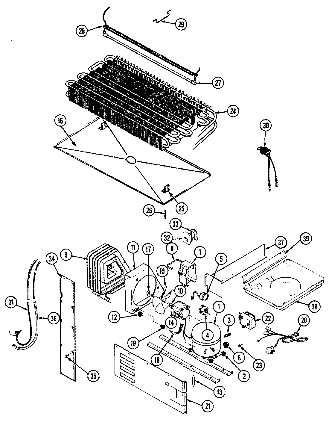
RTD1700CGE 07 – UNIT COMPARTMENT & SYSTEMadmin2025-04-26T08:50:05+00:00RTD1700CGE 07 – UNIT COMPARTMENT & SYSTEM ProductsPositionProductNIMAY 16000327NIMAY 108368-11MAY 120000272MAY 17245-43MAY 52778-24MAY 68857-45MAY 69105-116MAY 52656-27MAY 69754-18MAY 59596-19MAY 60408-29MAY 60434-39MAY 414001-110MAY 69063-111MAY 66228-112MAY 53351-113MAY 1390014MAY 65275-3314MAY 67560-1115WP12587601 Whirlpool Refrigerator Condenser Blade16MAY 69118-117MAY 19914-018MAY 69181-119MAY 56933-120MAY 52890-321WP488729 Whirlpool Refrigerator Door Screw21MAY 69138-122MAY 66128-423MAY 405007-124MAY 69822-125MAY 60108-226MAY 26397-927MAY 60106-3728MAY 60109-429MAY 68935-130WP52085-28 Whirlpool Thermostat31MAY 66223-131MAY 65013-432MAY 60068-133MAY 60069-134MAY 60177-434MAY 60110-234MAY 69968-135MAY 65275-7636MAY 68186-137MAY 66493-139WP489478 Whirlpool Refrigerator Screw39MAY 60555-239MAY 60555-1