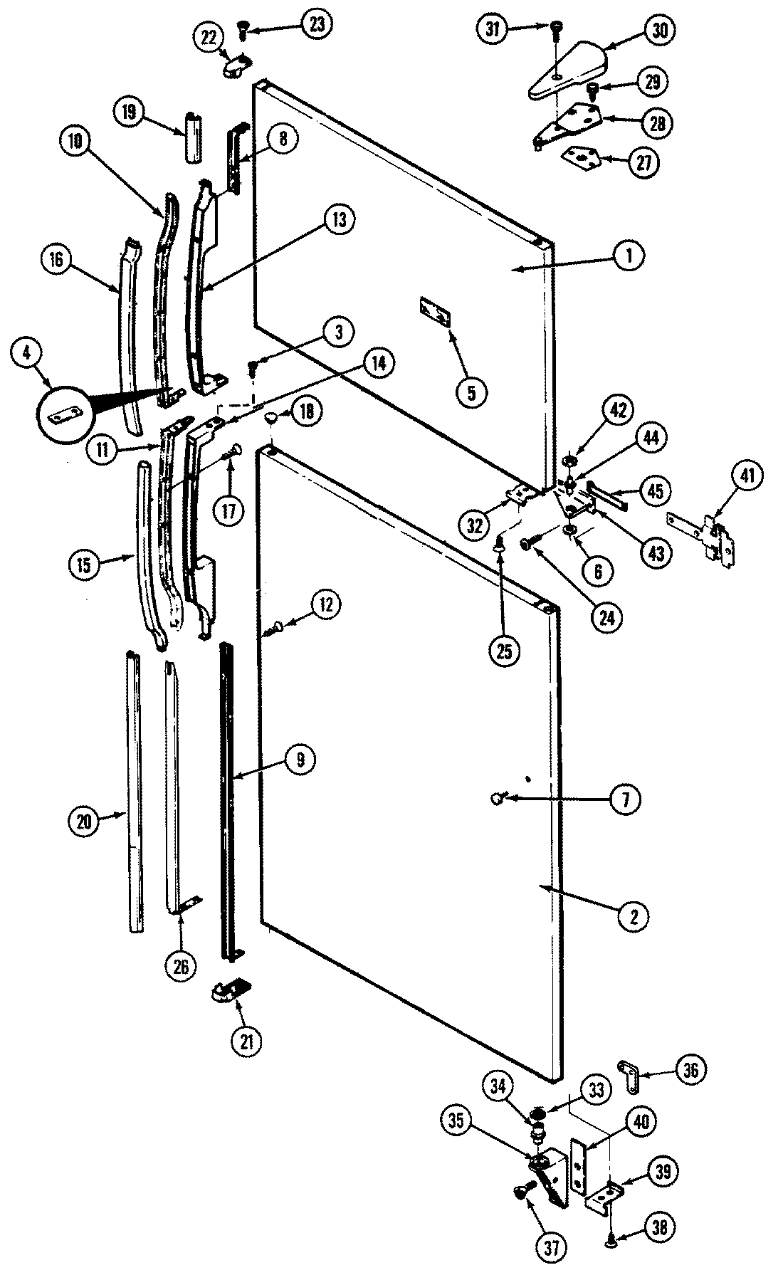
RTD1700DAM 05 – OUTER DOORadmin2025-04-26T08:49:53+00:00RTD1700DAM 05 – OUTER DOOR ProductsPositionProduct1MAY 72342-102-AM2MAY 72342-3-AM4MAY 67934-15MAY 69995-36MAY 54233-17MAY 67678-38MAY 67927-29MAY 67927-59MAY 65275-2610MAY 67921-311MAY 67921-112MAY 65275-8014MAY 67923-116MAY 6100105217MAY 65275-4418MAY 69480-418MAY 67634-319MAY 67932-1520MAY 67932-1821MAY 67930-122MAY 67929-123MAY 65275-2224MAY 65275-6226MAY 67933-227MAY 65031-128MAY 53709-2028MAY 56144-929MAY 65275-8630MAY 69518-331MAY 408062-13367483-3 Whirlpool Refrigerator Door Spacer Washer34MAY 69845-135MAY 69516-236MAY 67874-136MAY 65275-5937MAY 65275-5138MAY 65275-4839MAY 69256-240MAY 69510-141MAY 69419-141MAY 65275-6142MAY 67483-643MAY 69514-344MAY 69517-245MAY 69515-1