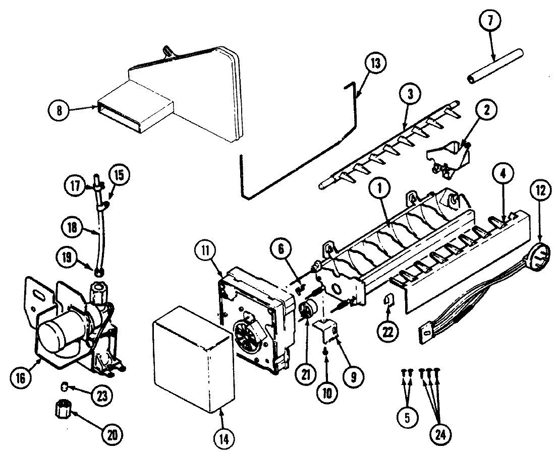
RTD1900CAB 04 – OPTIONAL ICE MAKER KIT (RAE3100AAX)admin2025-04-26T08:50:04+00:00RTD1900CAB 04 – OPTIONAL ICE MAKER KIT (RAE3100AAX) ProductsPositionProduct1D7824706Q Whirlpool Refrigerator Ice Maker Assembly1WP99003172 Whirlpool Silicone L2WP628356 Whirlpool Refrigerator Fill Cup3WP627843 Whirlpool Refrigerator Ejector Arm4WP2182124 Whirlpool Refrigerator Stripper Arm5MAY 401017-16WP2315522 Whirlpool Refrigerator Clip7MAY 67666-38MAY 67061-18MAY 67061-28MAY 67061-39BRACKET, MODULE & HEATER10MAY 95108-111MAY 95109-112MAY 70076-113MAY 68112-114MAY 68328-215MAY 23197-815SCREW16MAY 69364-117WPM0114003 Whirlpool Microwave Speed Clip Clamp18MAY 67579-619WP627018 Whirlpool Refrigerator Nut20WP245183 Whirlpool Nut21MAY 95093-121WP627985 Whirlpool Icemaker Cycling Thermostat22MAY 68118-123WP487627 Whirlpool Refrigerator Sleeve24MAY 400021-1