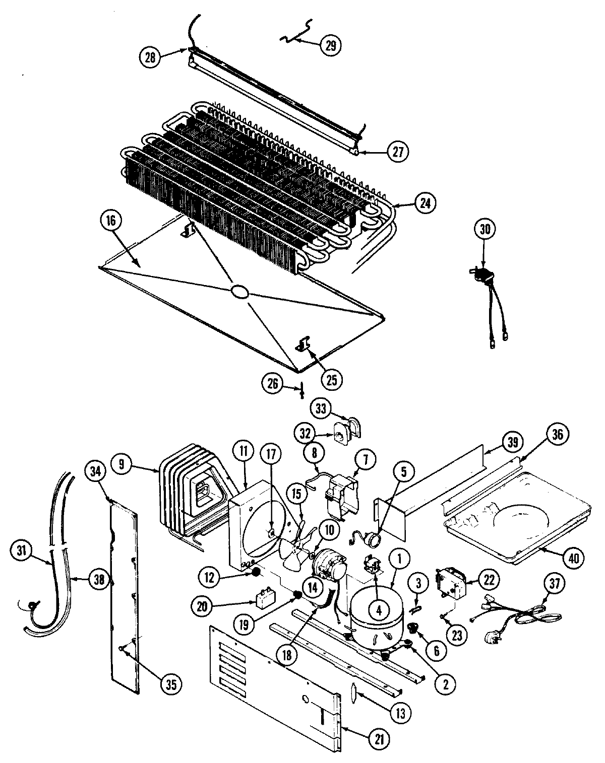
RTD1900CAW 06 – UNIT COMPARTMENT & SYSTEMadmin2025-04-26T08:49:58+00:00RTD1900CAW 06 – UNIT COMPARTMENT & SYSTEM ProductsPositionProductNIMAY 108350-1NIMAY 160003271MAY RA10111MAY RA1011-11MAY RA10322MAY 17245-43MAY 62165-13MAY 52778-242154436 Whirlpool Refrigerator Start Relay4WP10097202 Whirlpool Refrigerator Start Device5MAY 69105-1054388953 Whirlpool Overload Relay6MAY 52656-27MAY 69754-17MAY 66589-28MAY 65886-18MAY 59596-19MAY 60434-39MAY 414001-19MAY 60408-210MAY 69063-111MAY 66228-112MAY 53351-113MAY 1390014MAY 65275-3314MAY 67560-115WP12587601 Whirlpool Refrigerator Condenser Blade16MAY 69118-217MAY 19914-018MAY 69181-119MAY 56933-120WP2262343 Whirlpool Refrigerator/Freezer Capacitor20WP65889-4 Whirlpool Refrigerator Capacitor21MAY 69138-221WP488729 Whirlpool Refrigerator Door Screw22MAY 69543-423MAY 405007-124MAY 69822-725MAY 60108-226MAY 26397-927WP60106-35 Whirlpool Defrost Heater Assembly28MAY 60109-529MAY 68935-130MAY 52085-3331MAY 65013-2631MAY 66223-131MAY 65013-2231MAY 65013-432MAY 60068-133MAY 60069-134MAY 70169-134MAY 60110-234MAY 60177-435MAY 65275-5036MAY 60555-236MAY 60555-137MAY 52890-338MAY 68186-139WP489478 Whirlpool Refrigerator Screw39MAY 66493-1