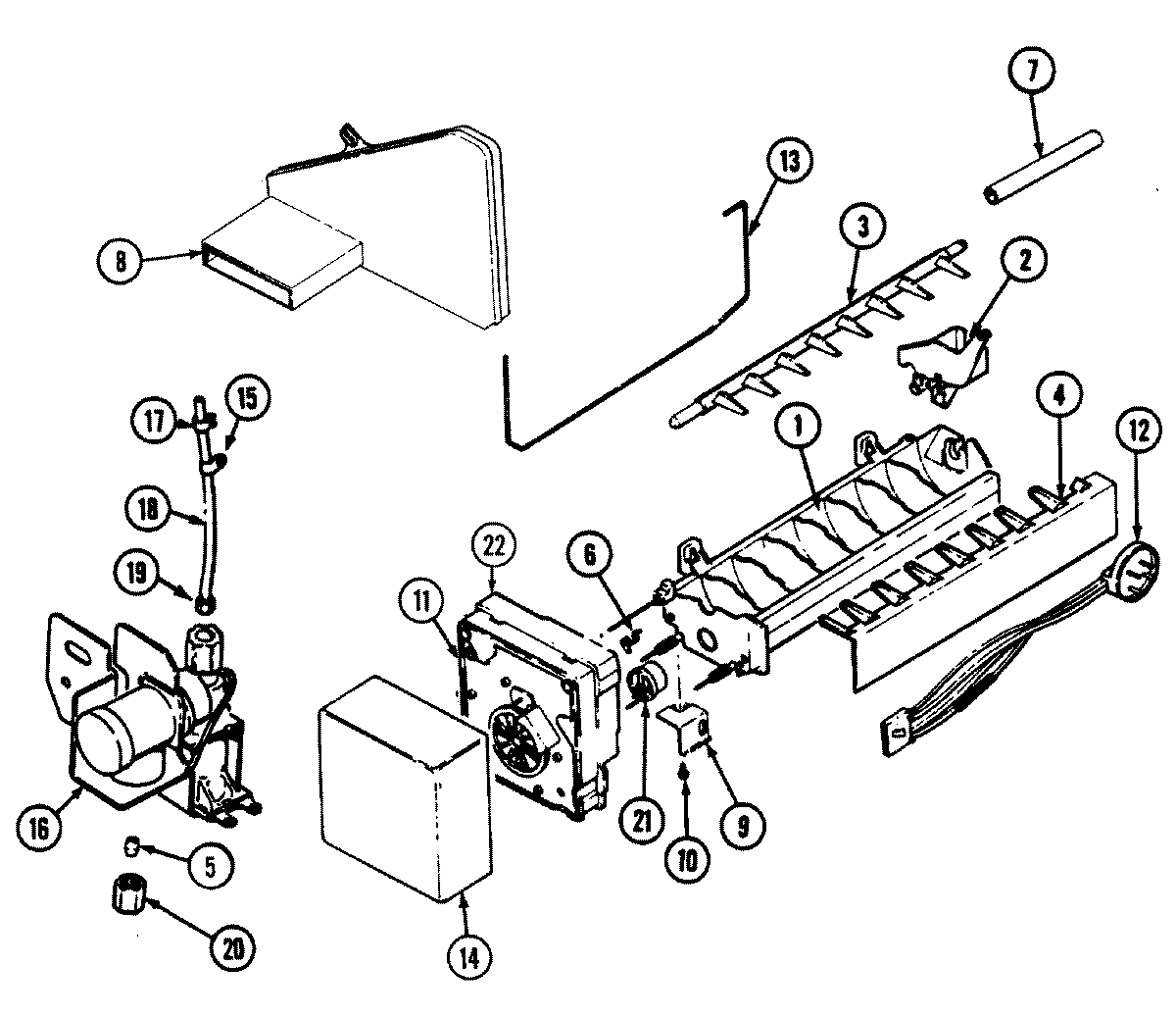
RTD1900DAM 05 – OPTIONAL ICE MAKER KIT (RAE3100AAX)