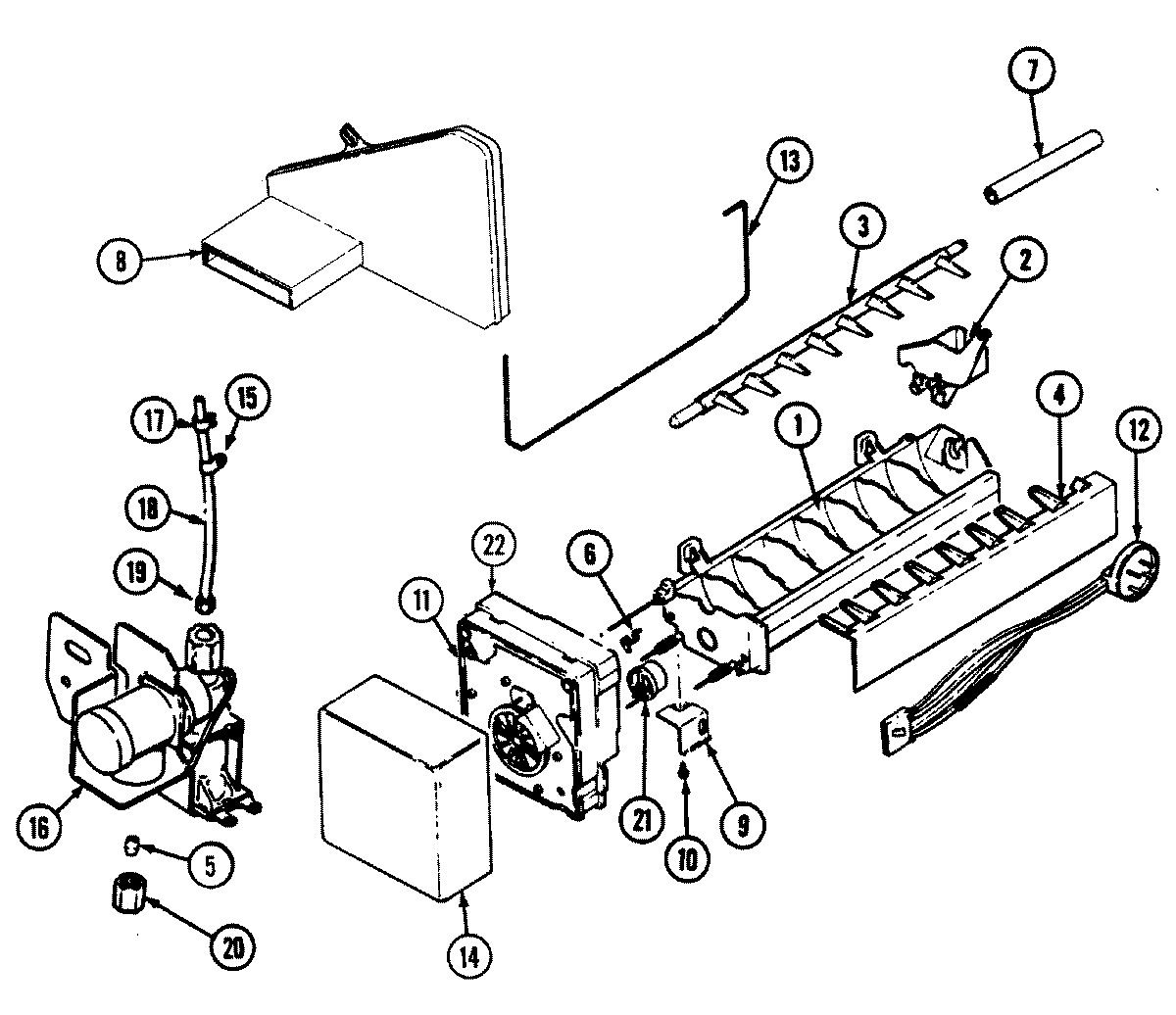
RTD19E0DAB 04 – OPTIONAL ICE MAKER KIT – RAE3100AAXadmin2025-04-26T08:49:53+00:00RTD19E0DAB 04 – OPTIONAL ICE MAKER KIT – RAE3100AAX ProductsPositionProduct1D7824706Q Whirlpool Refrigerator Ice Maker Assembly1WP99003172 Whirlpool Silicone L2WP628356 Whirlpool Refrigerator Fill Cup3WP627843 Whirlpool Refrigerator Ejector Arm4WP2182124 Whirlpool Refrigerator Stripper Arm5WP487627 Whirlpool Refrigerator Sleeve6WP2315522 Whirlpool Refrigerator Clip7MAY 67666-38MAY 67061-38MAY 67061-18MAY 67061-29BRACKET, MODULE & HEATER10MAY 95108-111MAY 400021-111MAY 95109-112MAY 70076-113MAY 68112-114MAY 68328-215SCREW15W10833902 Whirlpool Refrigerator Clamp16MAY 6100101916MAY 401017-117WPM0114003 Whirlpool Microwave Speed Clip Clamp18MAY 67579-619WP627018 Whirlpool Refrigerator Nut20WP245183 Whirlpool Nut21MAY 95093-121WP627985 Whirlpool Icemaker Cycling Thermostat22SCREW22WP2195914 Whirlpool Refrigerator Ice Maker Housing