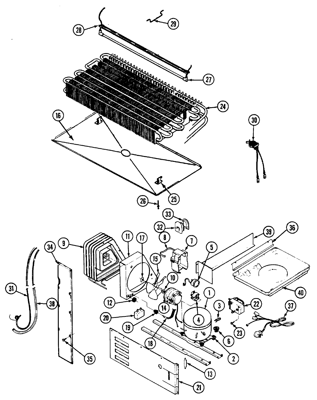
RTD19E0DAB 06 – UNIT COMPARTMENT & SYSTEMadmin2025-04-26T08:49:46+00:00RTD19E0DAB 06 – UNIT COMPARTMENT & SYSTEM ProductsPositionProductNIMAY 16000327NIMAY 610010681MAY 120000562MAY 17245-43MAY 52778-24WP10097202 Whirlpool Refrigerator Start Device54388953 Whirlpool Overload Relay6MAY 52656-27MAY 69754-18MAY 59596-19MAY 60434-39MAY 60408-29MAY 414001-110MAY 69063-111MAY 66228-112MAY 53351-113MAY 1390014MAY 68445-314MAY 6100156214MAY 65275-3315WP12587601 Whirlpool Refrigerator Condenser Blade16MAY 69118-217WP486692 Whirlpool Refrigerator Nut18MAY 69181-119MAY 56933-120WP65889-4 Whirlpool Refrigerator Capacitor21WP488729 Whirlpool Refrigerator Door Screw21MAY 69138-222WP68233-2 Whirlpool Refrigerator Defrost Timer23MAY 405007-124MAY 69822-725MAY 60108-226MAY 26397-927WP60106-35 Whirlpool Defrost Heater Assembly28MAY 60109-529MAY 68935-130MAY 52085-3331MAY 65013-2232MAY 60068-133MAY 60069-134MAY 70169-134MAY 6100156334MAY 60110-234MAY 60177-435MAY 65275-5036MAY 60555-236MAY 60555-137MAY 52890-338MAY 6100104239WP489478 Whirlpool Refrigerator Screw39MAY 66493-1