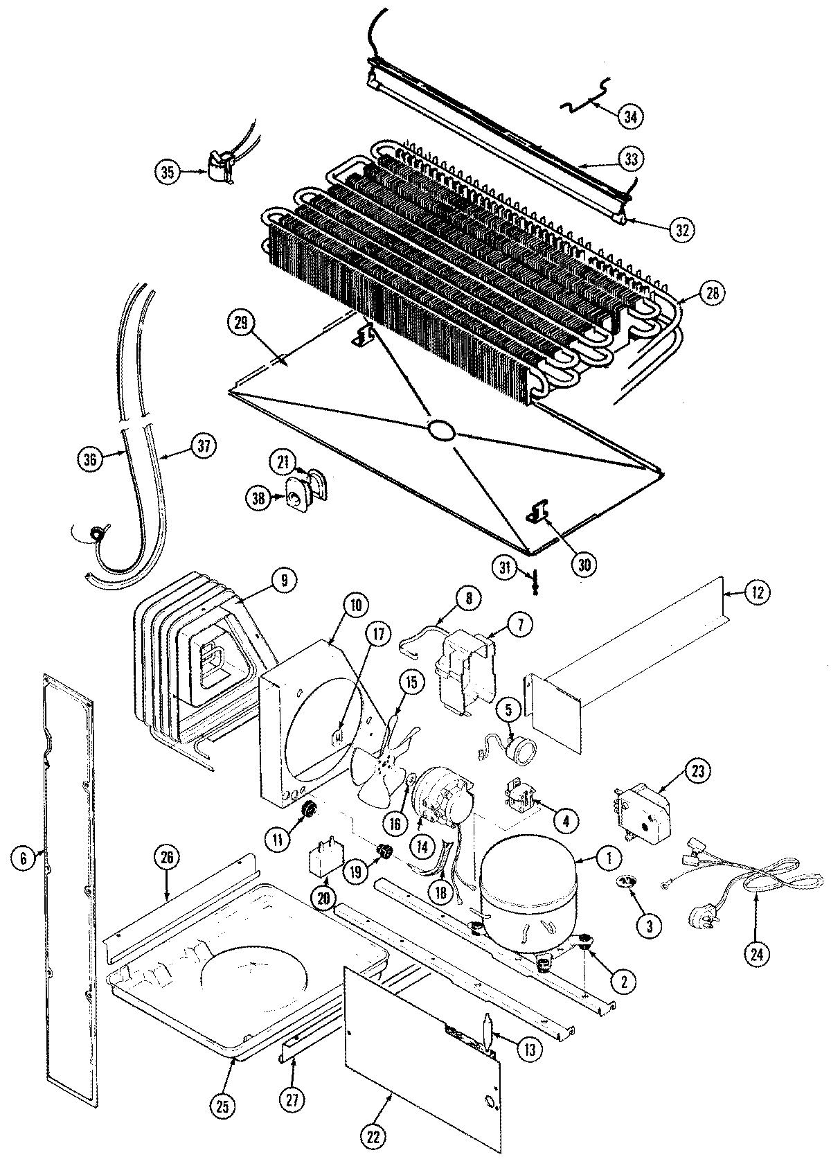
RTDA198AAB 07 – UNIT COMPARTMENT & SYSTEM