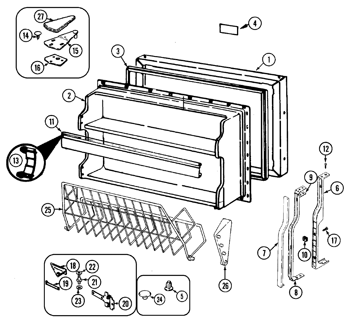
RTDA238AAM 02 – FREEZER DOORadmin2025-04-26T08:49:55+00:00RTDA238AAM 02 – FREEZER DOOR ProductsPositionProduct1MAY 72342-104-AM2MAY 65275-52MAY 69470-33MAY 70025-74MAY 66982-305MAY 67678-36MAY 70050-17MAY 70053-108MAY 65275-228MAY 70052-49MAY 67934-110MAY 69743-111MAY 70111-5112MAY 65275-801370197-1 Whirlpool Refrigerator Door Shelf Bar Trim Retainer End Cap14MAY 56144-915MAY 65275-5215MAY 53709-2016MAY 65031-117MAY 415033-118MAY 69514-218MAY 65275-5519MAY 69515-120MAY 68377-121MAY 69517-222MAY 67483-623MAY 54233-224MAY 65275-4824MAY 69256-224MAY 67634-325MAY 70320-226MAY 70321-226MAY 70321-127MAY 70121-3