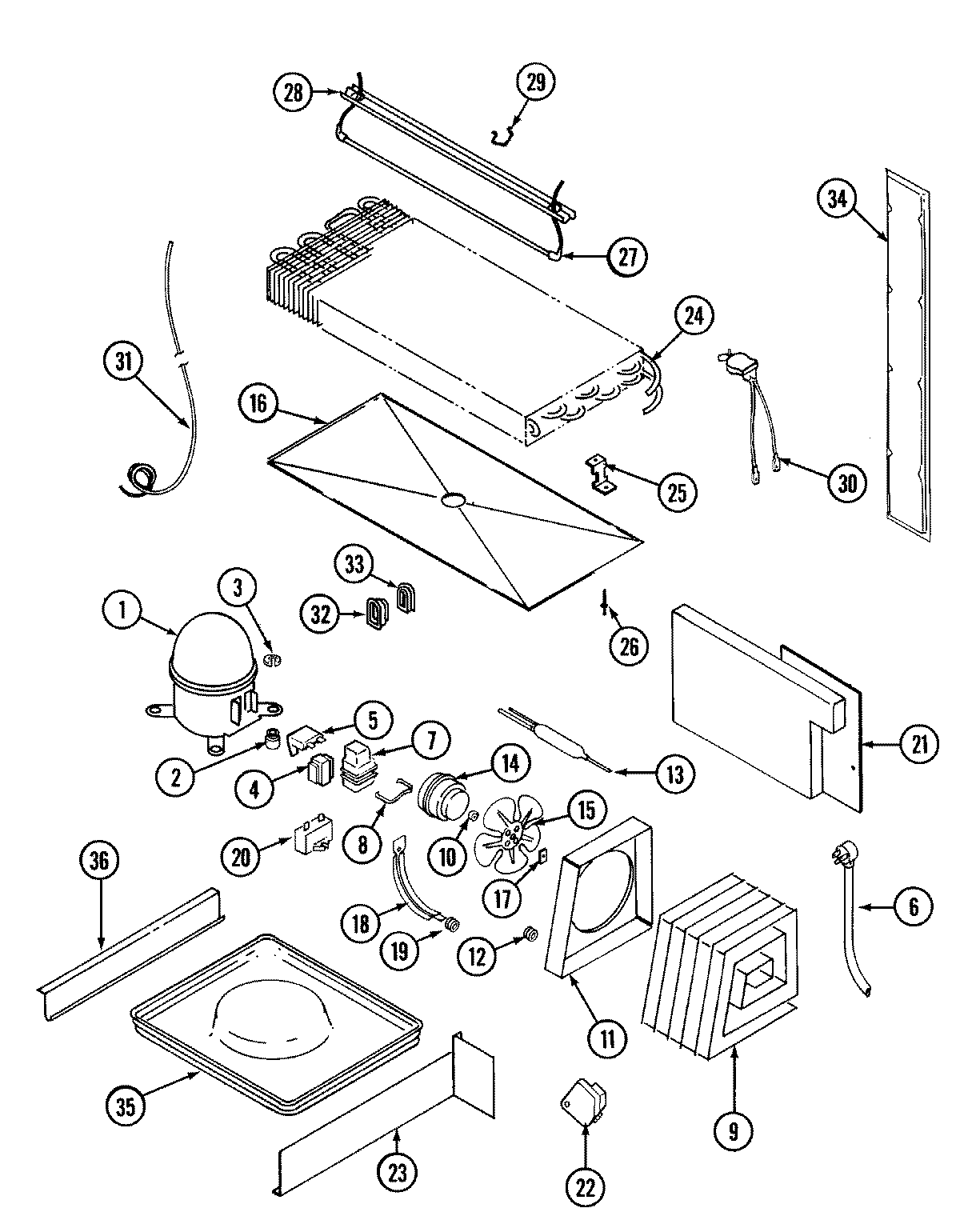
RTEA198AAE 07 – UNIT COMPARTMENT & SYSTEM