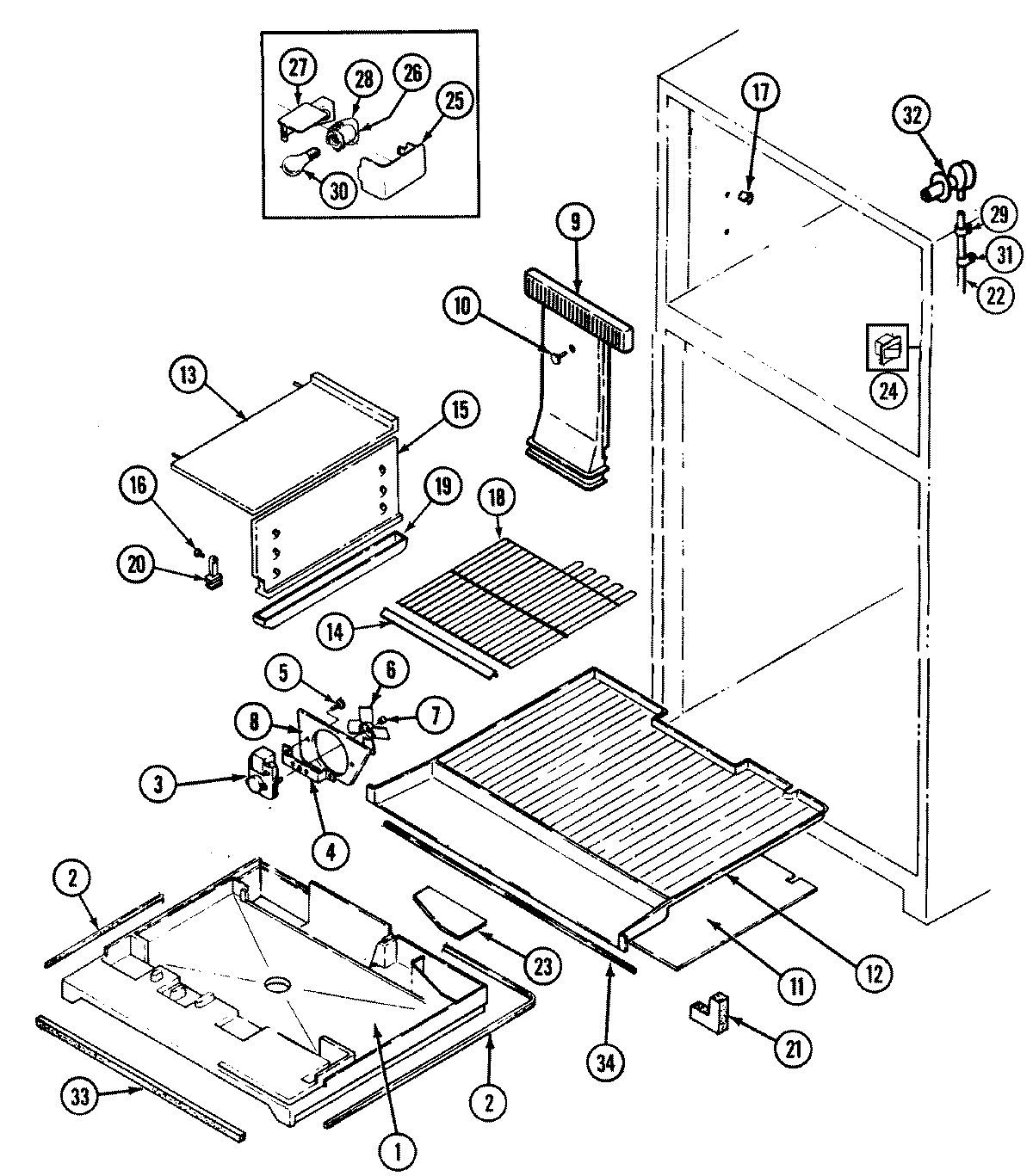
RTF1900CAE 01 – FREEZER COMPARTMENTadmin2025-04-26T08:50:04+00:00RTF1900CAE 01 – FREEZER COMPARTMENT ProductsPositionProduct1MAY 69403-12MAY 69414-23MAY 406062-13MAY 69106-24MAY 64856-15MAY 400015-366MAY 69107-17MAY 420092-9008MAY 60608-29MAY 70208-39MAY 66325-3710MAY 400015-3111MAY 66403-912MAY 69397-213MAY 67142-314MAY 67176-5915MAY 67419-116MAY 406008-117MAY 60313-117MAY 67466-118MAY 67696-419MAY 67420-120MAY 67657-321MAY 69563-122MAY 67579-723MAY 6166480524W11384469 Whirlpool Door Switch25MAY 67240-126MAY 68974-327MAY 67361-128MAY 67241-228MAY 400017-3529WPM0114003 Whirlpool Microwave Speed Clip Clamp30MAY 31956-131W10833902 Whirlpool Refrigerator Clamp31MAY 65275-5032MAY 68307-133MAY 69562-234MAY 69413-2